[ВХОД]
26.04.26(03:55)

mob.skif.biz

Альтернативная энергия. Оставь надежду, всяк сюда входящий...

🏠 Главная | 📚 Содержание | 💬 Форум | 📁 Файлы | 📩 Контакт
 
Резонансные генераторы
Магнитные генераторы
Механические центробежные (вихревые) генераторы
Электростатические генераторы
Водородные генераторы
Ветро- и гидро- и солнечные генераторы
Прочие идеи (разные)
О форуме
Транспорт
Оружие
Научные идеи, теории, предположения...
Экономия топлива
Коммерческие вопросы
Струйные технологии
Торсионные генераторы
Новые технологии
Барахолка
Патентный отдел
Конструкторское бюро
Нейтронная физика
Торнадо и смерчи
Гравитация и антигравитация
Сделай сам. Советы.
Медицина и здравоохранение

🖥️ | 🖨️

Форум - Водородные генераторы - Ячейка Мейера - Мультивибратор - Стр:1
Модератор: issue
issue | Post:20424 - Date: 20.02.06(07:40)
:?: Где найти простую принципиальную схему простого мултивибратора 50 и 100Гц.

Dimych | Post:20425 - Date: 20.02.06(08:14)
issue, можешь прям так и спросить у гуглы "принципиальная схема мультивибратора" 😏 например [ссылка]

s_p | Post:20514 - Date: 20.02.06(19:31)
АГА, Мой опыт перинимаете !!!????
Не хрена хорошего мультивибратора на эти частоты не найдете!!!
Только 3-х точка!!!

valeralap | Post:20516 - Date: 20.02.06(19:47)
issue, Собери на К561ЛА7 схема в документаций по ротоверту расчитанна на частоту 50гц и выше.

_________________
Чтобы слушать Иисуса Христа, нужно быть, хотя бы его апостолом!


GRN | Post:20517 - Date: 20.02.06(20:06)
issue,

Не слушайте никого, только 155 или 133 серия принсут успех. КМОПовские микросхемы сильно зависят от влажности, статики и т.п. слишком "нежные" они. ТТЛ в этом сиысле имеют стабильность на порядок выше при макетном исполнении. Эксперимент - это всегда макет.

_________________
Умер 22.09.2007 от остановки сердца.


issue | Post:20688 - Date: 22.02.06(12:01)
:roll: Короче мужики вы меня загрузили:
Ессли подробнее то мне надо 220Vx10A "генерировать",
Ребята тут говорят надо теристоры заменить на семисторы?!

Dimych | Post:20689 - Date: 22.02.06(12:06)
о! ну тогда лучше у гуглы прямо спросить "преобразователь 12 220 50". она вам 28000 ссылок выдаст 😀 уж там что-то да будет по теме.

issue | Post:20696 - Date: 22.02.06(12:32)
Нет МНЕ НЕ НУЖЕН ПРЕОБРАЗОВАТЕЛЬ , мне надо с помощью мультивибратора на 12V "влиять" на 2 нитки 220х10-15А

free_energy | Post:20769 - Date: 22.02.06(22:24)
Да господи, геркон магнит и велосипед :lol:

_________________
\\\"Есть только одно благо — знание, и есть только одно зло — невежество.\\\" Сократ


issue | Post:20799 - Date: 23.02.06(14:00)
Не понял юмора :oops:

issue | Post:20854 - Date: 24.02.06(04:57)
Так попробуем:задать корректный вопрос :shock:
1. обычный(ая) моргалка на 2 канала, поочереди, частота50 и 100 Гц.- тик-так-тик-так-и тд
2. фишка-проблема: нагрузка будет где то 5-6Kw при 220В, :roll:
Это в игорное заведение, стенд-моргалка по всему фейсу, заказчик хочет дешевле - а я щипон. Я же не элек-к -простой строитель.
Просто раньше как и многие из вас в Д.пионеров на "Радиоэлектронику" бегал : шарманки, моргалки, пищалки и тд, и тп. Это все энерг. образование :oops:

gar | Post:20934 - Date: 25.02.06(13:12)
частотные преобразователи не надо изобретать - они есть в продаже.

issue | Post:20938 - Date: 25.02.06(14:18)
Да далбы заказчик хорошие бабки я естественно купил бы...

SergeyA | Post:20959 - Date: 25.02.06(18:24)
issue,
Сходу не вспомню, можно поискать. Схема очень похожа на мультивибратор, только вместо транзисторов стоят тиристоры. Лет 20 назад было много подобных схем для бегущих огней, просто там несколько таких ячеек ставилось последовательно.

KomX | Post:20973 - Date: 25.02.06(22:28)
issue, что-то я не въезжаю...
50 и 100 Гц + мультивибратор?
Казино начинает применять ... Ужас!

_________________
KomX - это комикс (история в картинках) или ком(приходить) икс(к неизвестному)... (Well)


SergeyA | Post:20997 - Date: 26.02.06(10:26)
issue,
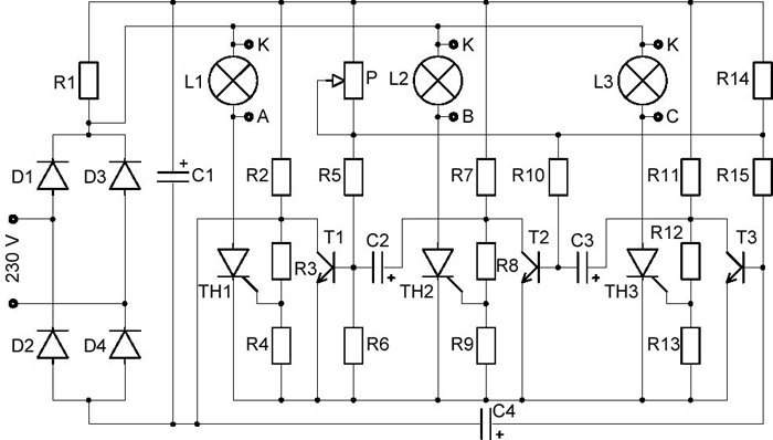
Пример как здесь, только здесь моща по 500 Ватт на канал, можно подобрать соответствующие комплектующие.

image


Описание в нижней части страницы
http://www.masterkit.ru/info/magshow.php?num=51

А если "по уму" то как здесь
http://www.platan.ru/shem/pdf/str41-45n.pdf


issue | Post:21000 - Date: 26.02.06(10:53)
Ok. Thank you.

У Вас нет прав отвечать в этой теме.
Форум - Водородные генераторы - Ячейка Мейера - Мультивибратор - Стр 1
🏠 Главная | 📚 Содержание | 💬 Форум | 📁 Файлы | 📩 Контакт