[ВХОД]

26.03.26(09:16)

mob.skif.biz

Альтернативная энергия. Оставь надежду, всяк сюда входящий...

🏠 Главная | 📚 Содержание | 💬 Форум | 📁 Файлы | 📩 Контакт

🖥️ | 🖨️

Форум - Транспорт - Электромобили - Почему нет электромобилей? - Стр:24
<] [ 1 | ... 14 | 15 | 16 | 17 | 18 | 19 | 20 | 21 | 22 | 23 | 24 | 25 | 26 | 27 | 28 | 29 | 30 | 31 | 32 | 33 | 34 | ... | 55 ] [>
Модератор: mihalich
Первый пост темы: mihalich Post: #153478 От:04.01.2009 (08:53)
Электромобиль будет ли транспортом в Украине или останется редким экспонатом автосалонов?
........Конкуренцию с автомобилем , на равных условиях,
электромобиль проиграл уже век назад и реванш будет ещё не завтра.
Потому страны - лидеры, не желая задыхаться выхлопными газами, предлагают производителям и потребителям электромобилей целую систему льгот и привилегий. Это и: кредитные и налоговые , проездные -
можно ехать и там, где автомобилям нельзя, и парковочные
- можно и парковаться и заряжаться безплатно.
....Электромобильные комплектующие : моторы, контроллеры, зарядники, аккумуляторы, освобождённые от налогообложения, стали выгодным для производства товаром, потому производятся в таком количестве, что и нам перепадает.
.....Так почему же в Калифорнии электромобилей уже 200 000,
а в Украине только 3 электроТаврии: в Киеве, Харькове и Сумах.
....В реале, их гораздо больше, но вынуждены они скрывать свою
электромобильность!
....Из 200 000 электромобилей Калифорнии добрая половина
самодельной сборки или переделки , но проблем с легализацией не возникает.
...Более того : и власти и чиновничество и полиция и СМИ,
всячески поощряют подобные инициативы.
...В Украине тоже разрешена регистрация самодельных или
передельных ТС, но только после предоставления ПРОЕКТА !
Но проект электромобиля может сделать коллектив профессиональных конструкторов и не за один год, и стоимость проекта многократно превысит стоимость
самой одиночной машины; Так не является ли подобное
разрешение фактическим запретом, и не потому ли
Винницкий энтузиаст Александр Бруй, свою ЭлектроТаврию
регистрирует, уже не первый год ,безрезультатно?
......Да, есть в Украине даже Научно Производственное Объединение "ЭЛЕКТРОМОБИЛЬ",
объединяющее несколько институтов и учреждений, но результаты их деятельности, в этом направлении, если и имеют место, то уж слишком засекречены! ?
.........Хорошо Калифорнийцам, там электромобилизация под патронатом самого губернатора А. Шварцнегера;
"Шварцнегером" Москвы , безусловно станет мер Ю.Лужков, разворачивающий широкую программу Московской электромобилизации.
.....Но, в Украине, к сожалению, нет ни Шварцнегера ни Лужкова ни кого либо другого, способного взять на себя ШЕВСТВО над идеей электромобилизации и энтузиастами,
работающими в этом направлении " в подполье" и тесноте своих гаражей.

....А когда то, лет 20 назад, Киевское ГАИ было официальным шефом Киевского клуба "АВТОСАМ" и сам я ездил ежедневно по Киеву , а иногда ив село, за 75 км от Киева, на самодельном электромобиле " ЭЛЕКТРА", с надписью" ИСПЫТАНИЯ" вместо номера.
...В попытках регистрации доехал даже до начальника тех отдела МВД Украины.
...Да, не зарегистрировали, но и не наказали ни разу за 2 года ежедневной езды;
теперь же , хотя новая "ЭЛЕКТРА 2" , значительно лучше первой,
при нынешних то убийственных штрафах и настрое инспекторов ,я боюсь и выехать
за пределы ГСК, а не накатав километража в опытной - испытательной езде, нельзя
довести системы управления до оптимальности.

Вот бы возродить старую добрую традицию шевства, тогда бы и появились на дорогах Украины и первые электромобили и те , кто сейчас свою электромобидьность прячет и последователи идущих впереди и, может быть, предпрениматели, способные организовать выпуск ,сперва опытных образцов, а потом и опытную партию.
...И было бы это началом Украинского электромобилестроения.

.....ветеран самодельного электромобилестроения Гербштейн. ( Михалыч

.. Эта машина, с кузовом из нержавейки , может проехать без подзарядки 120 км , но может ехать и со скоростью 150 км.час.
mihalich | Post:204583 - Date: 15.10.09(20:54)
andy8mm Пост: 204563 От 15.Oct.2009 (20:51)
Михалыч, всё по честному, без предоплаты.
1. Где берут энергию устройства от Гравио я понимаю.
2. Где берется энергия в искровике ДедИвана я понимаю.
3. Как Богатырь сумел извлечь энергию без разрядника я не знаю,
но первые два пункта дают мне уверенности в том, что это может быть и что я ещё многого не знаю о нашем мире.😊
Михалыч, сколько в пике Электра-2 потребляет?


Для, потихоньку - 5, для нормально -10 , для хорошо 15 .
Ну, допустим!, но где Видео , в присутствии независимых СМИ и обалдевших учёных мужей. Только за такое Видео можно такие бабки получить, что хватит на расширений работ до мировых масштабов?


andy8mm | Post:204585 - Date: 15.10.09(21:06)
Зачем нам СМИ, это всё покупные ребята им в эфир никто не даст такое выдать, всё подконтрольно. Пойду за 15кВт-ник торговаться.
Михалыч, нам 80км/час и хватит, пол дня и в Одессе.
движок выдержит по нагреву 7 часов работы?
Надо развал-схождение проверить, да и резина скоро подорожает, народ ведь станет больше ездить.


mihalich | Post:204679 - Date: 16.10.09(14:49)
ТАК ПОЧЕМУ ЖЕ НЕТ ЭЛЕКТРОМОБИЛЕЙ ?

Ещё и потому, что срок службы, доступных нам кислотных Ак.Батарей,
при ежедневной эксплуатации, редко превышает 1год.
Причины: 1) Большие, продолжительные разрядные токи.
.........2) недопустимо глубокие разряды.
Большие токи,неизбежные при пуске, разгоне и на подъёмах,
можно уменьшить, даже без уменьшения мощности и динамики ограниченных
скоростей.
Так я трогаюсь, разгоняюсь и еду в гору на половинном напряжении, при запаралеливании двух полубатарей. При этом, независимо от
напряжения батареи 120 вольт или 60 , и мощность и динамика машины, при скоростях до 60 км ч.-ОДИНАКОВЫ .
Это потому, что , независимо от того 60вольт на батарее или 120в,
Умный ШИМ контроллер Куртис,подаёт на мотор импульсы разного напряжения и разной скважности, но с одинаковым результирующим
значением до 50 вольт. И только после разгона мотора до оборотов
соответствующих ( у меня) 60 кмч, напряжение и мощность мотора , смогут увеличиваться.
А как иначе? Если начальное сопротивление невращающегося мотора
близко 0 или ~ 0,005 ома. Если на него дать сразу 120 в - то где то сразу отгорит или взорвётся .
Странно, но бывают "знатоки" , не понимающие этого, хотя и, якобы,
с высшим образованием, считающие , что это моя дурная идея !
Я то, конечно, этим горжусь, но вынужден признать, что идея эта
применяется на всех Болгарских ( и не только) электрокарах и погрузчиках лет уже 60.

Так, кто умеет считать, элементарно вычислит, Что, при запаралеливании батарей в стартовых режимах и езде с ограниченной
скоростью, падение напряжения на каждой банке, уменьшается вдвое,
а значит, мощность ,выделяемая на этой банке, пропорциональная
квадрату напряжения, уменьшается в 4 раза.
А ЭТО И ЕСТЬ МОЩНОСТЬ НАГРЕВА И РАЗРУШЕНИЯ АККУМУЛЯТОРНОЙ БАНКИ.

А одинаковую мощность и динамику , при разных напряжениях и скорости до 60кмч, подтверждённую приборами на щитке Электры,
при педали газа, сразу до упора, могу продемонстрировать.

2) я ПРИЧИНА - глубокие разряды, начинается от незнания сильной зависимости реальной ёмкости АКБ от величины разрядного тока.

Так, паспортная - номинальная ёмкость аккумулятора определяется
при разрядном токе двадцатичасового разряда ( при 100 АЧ - 5 ампер)
при разрядном токе равном ёмкости -100 ампер , ёмкость реальная
будет всего 40 % или 40 АЧ.
Но и это не все: Разряд кислотной батареи допускается до 75% реальной ёмкости. Так для оставшихся 40АЧ -это составит
всего 30 АЧ , что далеко не 100 номинальных.

Отсюда Выводы: Или уменьшать токи, или увеличивать ёмкость или
менять батарей ежегодно.


Gobsek | Post:204685 - Date: 16.10.09(15:57)
Михалыч,


Прослушал, какой двигатель и чьи АКБ используешь? И каком контроллере речь, Curtis 1231C на 550А ? По описанию я понял что 10 банок сгруппированы в 2 блока (или более ?). Эти блоки соответственно контроллер умеет включать параллельно и последовательно питанию тягового двигателя ? Или это просто объяснение принципов ШИМ управления.




mihalich | Post:204689 - Date: 16.10.09(16:24)
Мотор Эдвансид 8" 14кв - 60пик.
Куртис 550 Работоспособен и при 60 в и при 144.
Батарея 10 штук МинКота Троян DC31 130 ач. паралелится в 2 по 5 шт
переключается , при необходимости ,тумблером на щитке, а сила, самодельным малогабаритным электроконтактором ампер на 600., что , для городской езды, при скоростях до 60 кмч, будет редко.
........Привод без КПП : Мотор - ГП с Блокируемым Диффом - полуосями на колеса. Это, просто, объяснение целесообразности запаралеливания
- удвоения ёмкости и снижения нагрузки на батарею , при максимальных токах.


Gobsek | Post:204691 - Date: 16.10.09(16:54)
Я конечно не спец в электротранспорте, но имхо проблема износа батарей косвенно кроется в ШИМ регулировании(?) и имеется более красивое решение Т.е. в тяжелых режимах работы (пуск-торможение) через банку электролита 'простреливают' огромные пусковые токи. Относительно самой банки - важен пики тока протекающий через нее, а не схема ее включения. При параллельном вкл. сила токов конечно уменьшается, но еще лучшего эффекта можно достичь, если включить параллельно батарее т.н. 'суперконденсатор' на несколько Фарад (надо CR цепочку экспоненты разряда считать), а в Куртисе насколько я помню можно выставить макс. допустимый ток. И того убиваем сразу 2 зайцев - губительные броски тока через электролит и ограничение тока а также перегрев самого тягового двигателя.


олег-джан | Post:204695 - Date: 16.10.09(17:28)
Gobsek | Post: 204691


Приветствую!
Эту именно идею и воплотил товасчь Хортов в девяностых годах....он сделал первый гибрид....реальный....
Еще у меня руки и дэнги не дойдут до сварочника с таким буфером....хотя идея вполне живая и реальная....со средним током потребления 0.000000хрен десятых....

_________________
Обьективная реальность-бред,вызванный недостатком алкоголя в крови...



Gobsek | Post:204702 - Date: 16.10.09(18:04)
И наши-вашим тоже кисточкой, Олегджан ! 😊

Электромобили тема конечно архистоящая и настолько важная что наши тупые правители просто своими куриными головами не осознали всю значимость. Или поняли, но саботируют по своим интересам. Удивительное дело, едешь по МКАДу - на каждой десятой машине надпись типа фак флюэл экономи, а за рулем двадцатилетнего джипа пижонистый крендель за тридцать. На новую резину и салон денег нет, зато на горючку ему всегда хватает.

Я пост в другой ветке сделал (не хочу плодить копии) - самодельный электрический двигатель из фанеры на 7 КВт (есть и на 14). Конечно дерево не лучший вариант для тягового электродвигателя, но ведь есть и п/э смолы и текстолитовые блоки (до 200С). Сама конструкция крайне проста, т.к. безщеточная и с исп. постоянных магнитов плюс контроллер соответственно. Думаю можно с успехом в авто такой экстрим приспособить, вместо того же A.M. 8" 4001 за 2 штуки зелени.



mihalich | Post:204706 - Date: 16.10.09(18:11)
Gobsek Пост: 204691 От 16.Oct.2009 (17:54)
Я конечно не спец в электротранспорте, но имхо проблема износа батарей косвенно кроется в ШИМ регулировании(?) и имеется более красивое решение Т.е. в тяжелых режимах работы (пуск-торможение) через банку электролита 'простреливают' огромные пусковые токи. Относительно самой банки - важен пики тока протекающий через нее, а не схема ее включения. При параллельном вкл. сила токов конечно уменьшается, но еще лучшего эффекта можно достичь, если включить параллельно батарее т.н. 'суперконденсатор' на несколько Фарад (надо CR цепочку экспоненты разряда считать), а в Куртисе насколько я помню можно выставить макс. допустимый ток. И того убиваем сразу 2 зайцев - губительные броски тока через электролит и ограничение тока а также перегрев самого тягового двигателя.


Коллега, конд.батарея , паралельная ак.батарее, совершенно не работает, так как конденсатор ( и супер тоже)отдаёт энеггию только с потерей напряжения, и принимает её , только с повышением.
Энергия, пропорциональная квадрату напряжения на батарее не меняясь
(доли вольта не в счет) не расходуясь и не пополняясь, останется
МЁРТВЫМ НЕРАБОТАЮЩИМ КАПИТАЛОМ. Только место, вес и деньги.
Идея Вообще то реализуема, но............, увы не мною и не теми
нашими спецами, которые много говорят , что могут , ничего , однако
пока не сделав. Это значительно сложнее чем ШИМ управления мотором.
А впроччем , я платежеспособен. Сделает кто? я куплю.



mihalich | Post:204711 - Date: 16.10.09(18:41)
Gobsek Пост: 204691 От 16.Oct.2009 (17:54)
Я конечно не спец в электротранспорте, но имхо проблема износа батарей косвенно кроется в ШИМ регулировании(?)


А вот с этим я согласен, но именно этот фактор можно с успехом
нейтрализовать LC фильтрами, которых, однако в ШИМ КУРТИСЕ, изначально нет. Может потому, что : на начальной частоте 1,5 кгц , когда при большой скважности, амплитудные токовые пики действительно опастны,
Куртис работает секунду -две -три, а продолжает работать дальше уже
на 15 кгц, когда с этими пиками справляется уже и индуктивность мотора.


Gobsek | Post:204734 - Date: 16.10.09(20:17)

Михалыч,


Смысл введения конденсатора не в экономии энергии или ее превращении. Суть в том чтобы уменьшить броски тока через АКБ. Если считать по ваши данным, то макс. теоретически возможный ток: 120В/(2x0,005 Ома) = 12000 А. На практике по фронту нарастания будет где-то половина, т.е. 5-6 кА.

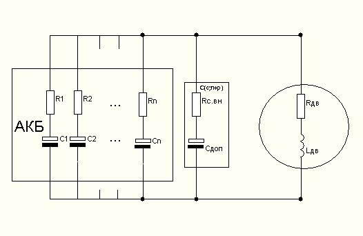
АКБ можно представить как сумму большого количества заряженных емкостных элементов со своими проводимостями соответственно. Обычный электролит, как и суперконденсатор тоже имеет внутреннее сопротивление. Я нарисовал схемку приведения. В природе же все параметры элементов будут конечно же нелинейны, а реальная схема выглядит куда более сложно.

Так вот, если при запуске двигателя в цепь питания от АКБ включить низкооммный шунт и к нему подключить осциллограф, то можно будет увидеть импульсные миллисекундные броски тока более 1000 Ампер, что собственно уменьшает срок службы батарей. При измерениях стрелочными (и цифровыми) приборами последние показывают интегральное, действующее значение, если конечно это не специальные приборы для импульсных измерений.

С введением значительной емкости параллельно АКБ большая часть импульсов сверхтока будет протекать через доп. емкость, защищая батарею от разрушения.

Согласно схеме, весь вопрос защиты АКБ от импульсного питания контроллера состоит в величине внутреннего сопротивления этого суперкондюка. Если оно достаточно мало, то надежно защитит банки от преждевременного износа. К сож. придется это проверить на практике.

Можно конечно ввести индуктивность в цепь питания, но – отн. места включения она либо затянет фронты и будет способствовать либо доп. искрообразованию, либо перегрузит контроллер током, в общем, большое значение - опасно.




Размер: 21.01 KB


andy8mm | Post:204748 - Date: 16.10.09(21:24)
Gobsek, Михалыч сам об этом рассказывал при встрече в его филиале СКИФа.
Как решение может сгодятся конденсаторы авто-аудиофилов, у них в ходу супер-кондюки для савбуферов кажись.


mihalich | Post:204750 - Date: 16.10.09(21:32)
Gobsek Пост: 204734 От 16.Oct.2009 (21:17)

Михалыч,


Смысл введения конденсатора не в экономии энергии или ее превращении. Суть в том чтобы уменьшить броски тока через АКБ. Если считать по ваши данным, то макс. теоретически возможный ток: 120В/(2x0,005 Ома) = 12000 А. На практике по фронту нарастания будет где-то половина, т.е. 5-6 кА.

Согласен,но даже меньше из за сопротивления самого аккума.
Но, аналогию энергии заряженного конденсатора, можно представить, как энергию подвешенной на постоянной высоте тонны. где высота-
постоянное напряжение батареи. И пока эта высота не меняется , энергия этой тонны потенциальна и никакие иные факторы на неё не действуют, как и она ни на что не действует.
Какие бы броски тока не действовали на батарею (а они есть и действительно тысячеамперные), конденсатор их проигнорирует,а среагирует только на броски напряжения, которых нет.


Согласно схеме, весь вопрос защиты АКБ от импульсного питания контроллера состоит в величине внутреннего сопротивления этого суперкондюка. Если оно достаточно мало, то надежно защитит банки от преждевременного износа. К сож. придется это проверить на практике

И это совсем не сложно , если не со 120 вольтовой батареей, а с одним
аккумом и не с несколькими Фарадами, а с 470 000 мф. Это у меня есть.
И если и вы всерьёз хотите проверить , то где проблемы? Если Вы в КИЕВЕ ?



Gobsek | Post:204800 - Date: 17.10.09(01:00)
Михалыч,

В том, о чем я говорю, совсем не сложно убедиться, не нужна ничья помощь. Может даже там и нет ничего такого запредельного, то бишь свищу я) Шутка.

Делается это так: нужно сделать более-менее прецизионное сопротивление на 0.01 Ом (10E-2). Сделать его можно замерив, сопротивление куска длинного медного провода, потом его порезать на n частей и сложить вместе. Получившийся шунт вставить в питание между АКБ и ШИМ-ом, параллельно ему вкл. осциллограф и посмотреть на броски тока в тяжелых режимах работы со автостробом по фронту импульса.


Для А.M. 8"/4001 пиковый ток около 500А, следовательно, не более 5 Вольт и 50 мВт тепла на таком шунте, но на сходе осциллографа я бы еще поставил 1:10..100 делитель. Думаю, пики в 10-15 вольт он точно покажет. После чего попробовать палалелльно АКБ установите ваш 0.47Ф электрет, и сравнить качество питания. Как видите ничего сложного.



mihalich | Post:204806 - Date: 17.10.09(06:44)

Привет Коллега.
Паралельная батарее ёмкость , уже не раз опробована и не только мной
но и Игорем Корховым. На форуме Электротранспорт даже тема была отдельная " Откуда на батарее тысячеамперные импульсы". Где я, не в
одиночку, а с А. Сорокой и другими спецами снимали и выкладывали на форуме эти осциллограммы. И ёмкости и дроссели, мертвые паралельно батарее, эффективны только подключённые после ШИМа , на уже импульсном напряжении. Такой LC фильтр,с ёмкостью 44 000 мф и двумя дросселями ~ по 0,5 мкгн ,уменьшил амплитуду токовых пиков батареи
в ~6 раз! Но это,повторяю, при начальной частоте Куртиса 1,5 кгц.
При рабочей же частоте 15 кгц, эти пики просто исчезнут.


Gobsek | Post:204835 - Date: 17.10.09(15:40)
Если осциллографом нет, то и хорошо. Работу ШИМ-а можно упрощенно представить как включение в цепь диммера, отсюда и мои предположения. Но для себя я бы все же зашунтовал АКБ большой емкостью - поможет в тяжелых режимах.

Как будет возможность (на профилактику,етс), попрошу: выложите плиз фотки разобранного A.M.8"/4001. Интересуют детали исполнения обмотки ротора, магниторовод статера, щеточный узел, подшибниковые пары, етс. Движок хороший, будет познавательно для многих, кто выберет этот тернистый путь ).



Михалыч, откопал упомянутый выше топик про выбросы. Но если откровенно, то я только теоретически предполагал, без практики. Но если экспериментатор говорит что срок службы увеличился на 300-400% процентов, я только рад 😊 Вдруг смогу в чем помочь, если потребуется.




mihalich | Post:204891 - Date: 17.10.09(22:32)

Боюсь, до профилактики мотора я могу и не дожить. Ему же щётки менять через
100 000 часов, а подшипники через 200.
Вашему экспериментатору, очень хочется верить, но не получается. Втрое- четверо! ! ! Брехун он.!
Во первых, токовые пики на батарее ,не главное зло. Глубокие разряды , кратно
опаснее. Именно через них, в последовательной батарее, появляются первые "ГЛУХАРИ" А предотвратить это трудно , поскольку процесс убивания может начинатся в одной банке из 60ти и остаться незамеченным до кончины.
Если интересно, опишу процесс "изнутри"




andy8mm | Post:204892 - Date: 17.10.09(22:36)
Михалыч, интересно, опишите "изнутри" пожалуйста. 😊
К слову, о блоготворном общении в гостях у Михалыча, зарядку взял у АлексаСороки и протестил чуток:
"аккум-трупик" 45а/ч, раскачал его с 3А/ч-4,5-7,5-10 сейчас не знаю, разряд до 8вольт не делал, дык вот сегодня поставил на кабриолетик и пару раз его завёл(заводится он долго, секунд 8-10 маслать пришлось, пока бензину насосает, думал не судьба).


andy8mm | Post:204908 - Date: 18.10.09(00:52)
1500 ампер могут возникнуть в цепи акк/бат.->ШИМ->двигатель(он же индуктивность) "благодаря" току смещения
187582 Но главное не забывать- ток смещения все равно есть- паралельно обычному току.
Тут вот кто то выступал как директор пляжа - я его спросил- откуда пичок
тока при включении индуктивности- это именно и есть ток смещения.
Он ведь как емкость себя ведет- вот и появляется пик зарядки этой емкости.

А вот почему пики есть только
при начальной частоте Куртиса 1,5 кгц.
При рабочей же частоте 15 кгц, эти пики просто исчезнут.
Мне непонятно?
Ну что, поборемся с этими пичочками?


mihalich | Post:204915 - Date: 18.10.09(05:25)
andy8mm Пост: 204892 От 17.Oct.2009 (23:36)
Михалыч, интересно, опишите "изнутри" пожалуйста. 😊


Заводская инструкция на аккумулятор предписывает: "Регулярно проверять плотность и уровень электролита в каждой банке и, при необходимости, уравнивать,доливая Д.воду или электролит"
И НЕ ЗРЯ.
Допустим, в одной из 60ти банок, плотность или уровень ниже, чем в остальных. (Уровень обеспечивает минимальную скорость циркуляции свежего электролита снизу вверх.)
Внутреннее сопротивление этой банки больше чем в остальных,
больше и падение напряжения и пропорциональная квадрату напряжения мощность нагрева.
Нагрев электролита, якобы,несколько снижает своё сопротивление,
но не при обильном газовыделении от длительного большого тока.
Пузырьки газа, сжатые пластинами,сепараторами - пятна, которые своей площадью значительно уменьшают рабочую площадь пластин, что ещё больше
увеличивает сопротивление, напряжение и мощность выделяемую внутри
банки. Процесс нарастает лавинообразно, расходуя энергию сперва своей банки, затем , переполюсованная банка добивается энергией остальной,
еще сильной , батареи.
Так появляются первые "ГЛУХАРИ" на, ещё не старых, батареях электрокар и погрузчиков.
У нас, проблема еще и в том, что без электрических выводов
каждой банки, проблематичен контроль(индикация) её состояния.
Потому, целесообразнее на электромобиле использовать аккумуляторы
с выводами каждой банки.
Эта проблема характерна для последовательных батарей, но не для
параллельных, где сильный защищает слабого.
Поэтому на боевых машинах, и даже на всех Японских микроавтобусах,
используемых для аварийных служб, стоит не один мощный аккумулятор, а 2 меньших- параллельных.




mihalich | Post:204916 - Date: 18.10.09(05:40)
andy8mm
А вот почему пики есть только при начальной частоте Куртиса 1,5 кгц.
При рабочей же частоте 15 кгц, эти пики просто исчезнут. Мне непонятно?


Так ведь эффективность и ёмкости и индуктивности пропорциональна
частоте. Так, сварочный дроссель 50ти герцовый ~50 кг, а после сварочного инвертора , где Килогерцы - грамм 200.


andy8mm | Post:204932 - Date: 18.10.09(12:03)
mihalich, спасибо за описание "изнутри"(японцы на сколько дальновидные!).
mihalich, хочу предложить немного материала по малогабаритным дросселям:
1. 175450; 175454.
2. Индуктивность+дроссель+измерение индуктивности-2, перемагничивание, Стенки Блоха
3. ссылки на материалы взяты из подборки "букварик-2"(смотреть п.18 и п.19)
Эксклюзивный вид, тут заложена идея
image
Итак у нас появилась практическая задача по Электре-2, снизить Пичок тока в 1500А. Михалыч, я правильно выразился?


mihalich | Post:204971 - Date: 18.10.09(19:12)

Спасибо Андрей, но с этим я уже справился. Токовые пики во время трогания (секунда-две) я уже снизил раз в 6,а дальше, на 15 кгц, их вообще уже нет.

А хочешь практическую задачу по Электре, придумай рекуперацию тяговым мотором
с последовательным возбуждением. Моя нынешняя, вспомогательным генератором,
своим приводом (шкивы) потратит больше , чем добавит.


Gobsek | Post:204986 - Date: 18.10.09(20:42)
mihalich Пост: 204891 От 17.Oct.2009 (23:32)

Боюсь, до профилактики мотора я могу и не дожить. Ему же щётки менять через
100 000 часов, а подшипники через 200.
Вашему экспериментатору, очень хочется верить, но не получается. Втрое- четверо! ! ! Брехун он.!
Во первых, токовые пики на батарее ,не главное зло. Глубокие разряды , кратно
опаснее. Именно через них, в последовательной батарее, появляются первые "ГЛУХАРИ" А предотвратить это трудно , поскольку процесс убивания может начинатся в одной банке из 60ти и остаться незамеченным до кончины.
Если интересно, опишу процесс "изнутри"



Насчет срока службы это как раз "ваш" эксперементатор утвекрждает,Алекс-сорока кажется, я лишь цитировал.

Насчет батарей мне не особо просто любопытно, прямого интереса нет. как созрею сделать свой EV - использую суперкондюки и свой СЕ, пока он устойчиво работает только на лампы накаливания.


andy8mm | Post:204989 - Date: 18.10.09(21:02)
Михалыч,
А хочешь практическую задачу по Электре, придумай рекуперацию тяговым мотором с последовательным возбуждением.

Буду кумекать, это значит нужно Куртис вывернуть наизнанку.

Gobsek,
созрею сделать свой EV - использую суперкондюки и свой СЕ, пока он устойчиво работает только на лампы накаливания.
Мои поздравления с СЕ! Вопрос по СЕ: какое отношение получилось вес/габарит/на 1 кВт?
Второй вопрос EV из какой машины хочется собрать?


<] [ 1 | ... 14 | 15 | 16 | 17 | 18 | 19 | 20 | 21 | 22 | 23 | 24 | 25 | 26 | 27 | 28 | 29 | 30 | 31 | 32 | 33 | 34 | ... | 55 ] [>
Тема закрыта. Добавление новых сообщений невозможно.
Форум - Транспорт - Электромобили - Почему нет электромобилей? - Стр 24
🏠 Главная | 📚 Содержание | 💬 Форум | 📁 Файлы | 📩 Контакт