[ВХОД]
19.04.26(17:02)

mob.skif.biz

Альтернативная энергия. Оставь надежду, всяк сюда входящий...

🏠 Главная | 📚 Содержание | 💬 Форум | 📁 Файлы | 📩 Контакт
 
Резонансные генераторы
Магнитные генераторы
Механические центробежные (вихревые) генераторы
Электростатические генераторы
Водородные генераторы
Ветро- и гидро- и солнечные генераторы
Прочие идеи (разные)
О форуме
Транспорт
Оружие
Научные идеи, теории, предположения...
Экономия топлива
Коммерческие вопросы
Струйные технологии
Торсионные генераторы
Новые технологии
Барахолка
Патентный отдел
Конструкторское бюро
Нейтронная физика
Торнадо и смерчи
Гравитация и антигравитация
Сделай сам. Советы.
Медицина и здравоохранение

🖥️ | 🖨️

Форум - Прочие идеи (разные) - Схемотехника - DC/DC конвертор, помогите придумать. - Стр:2
<] [ 1 | 2 | 3 ] [>
Модератор: Smt
Первый пост темы: Smt Post: #164495 От:03.03.2009 (11:54)
Здрасти всем,
помогите выбрать схему для dc/dc преобразователя.
вход: 6-16 вольт
выход 12-14 вольт.
ток 5 ампер, для начала 😀
схему как можно проще.
Спасибо
lazj | Post:164569 - Date: 03.03.09(18:51)
queet Пост: 164565 От 03.Mar.2009 (18:25)
Ежли частота синуса не высокая то отшимовать можно. Любая AVRина для этого подойдёт.


Так частота синуса 50 Херц. Теоретисски я представляю как это сделать, но не делала. ПальцОм ткните, плз.

_________________
"Наука - это то, чего быть не может. То что может быть - это уже технический прогресс" (П.Л. Капица) "Делай, что должно и будь, что будет.."


pendik | Post:164571 - Date: 03.03.09(19:01)
http://www.vampirchik-sun.nm.ru/interes1/st7/vmp_sh.htm

lazj | Post:164574 - Date: 03.03.09(19:12)
asd-4f Пост: 164567 От 03.Mar.2009 (18:27)

так ить постоянку, например 12 или 24 В, всегда полезно перегнать в синус 220В. Полезное устройство.

_________________
"Наука - это то, чего быть не может. То что может быть - это уже технический прогресс" (П.Л. Капица) "Делай, что должно и будь, что будет.."


queet | Post:164579 - Date: 03.03.09(19:31)
lazj Пост: 164569 От 03.Mar.2009 (18:51)
queet Пост: 164565 От 03.Mar.2009 (18:25)
Ежли частота синуса не высокая то отшимовать можно. Любая AVRина для этого подойдёт.


Так частота синуса 50 Херц. Теоретисски я представляю как это сделать, но не делала. ПальцОм ткните, плз.

Набросаю схемку и програмульку. На входе DС сикоку?

asd-4f | Post:164580 - Date: 03.03.09(19:37)
lazj
так ить постоянку, например 12 или 24 В, всегда полезно перегнать в синус 220В. Полезное устройство.

...вот например , можно посмотреть кое - что :
[ссылка]
[ссылка]



lazj | Post:164581 - Date: 03.03.09(19:42)
queet Пост: 164579 От 03.Mar.2009 (19:31)


Так частота синуса 50 Херц. Теоретисски я представляю как это сделать, но не делала. ПальцОм ткните, плз.

Набросаю схемку и програмульку. На входе DС сикоку?


Ну давай стандарт автомобильный возьмем - 12 вольт

_________________
"Наука - это то, чего быть не может. То что может быть - это уже технический прогресс" (П.Л. Капица) "Делай, что должно и будь, что будет.."


lazj | Post:164582 - Date: 03.03.09(19:43)
asd-4f Пост: 164580 От 03.Mar.2009 (19:37)

...вот например , можно посмотреть кое - что :
[ссылка]
[ссылка]



Пасиб, бум изучить.

_________________
"Наука - это то, чего быть не может. То что может быть - это уже технический прогресс" (П.Л. Капица) "Делай, что должно и будь, что будет.."


pendik | Post:164588 - Date: 03.03.09(20:07)
lazj Пост: 164562 От 03.Mar.2009 (18:08)
А есть у кого сфемка DC/AC только в синус, а не в импульс?



На скору руку я бы собрал любой генератор синусоидального напряжения на 2-3 транзисторах (хоть регулируемый) и подключил бы на вход УНЧ...они сейчас для автолюбителей имеются до нескольких КИЛОват мощности. Нагрузкой можно ставить трансформатор завместо "динамика"

lazj | Post:164591 - Date: 03.03.09(20:10)
Ну вообще-то хотелось бы не задействовать таких замечательных усилителей цены немалой.

_________________
"Наука - это то, чего быть не может. То что может быть - это уже технический прогресс" (П.Л. Капица) "Делай, что должно и будь, что будет.."


asd-4f | Post:164593 - Date: 03.03.09(20:19)
lazj Пост: 164591 От 03.Mar.2009 (20:10)
... задействовать таких замечательных усилителей ...

может , ну , это , подойдет , и цена ...ну , скажем доступная...LME49810 :
[ссылка]
[ссылка]


pendik | Post:164594 - Date: 03.03.09(20:22)
я ведь не знаю твоих потребностей. 1 ват или 10 киловат? Чистый синус или модифицированный синус?
При скромных потребностях по выходной мошности усилители НЧ найдутся в любом хозмаге в наборе для школьников-радиолюбителей.(даже наготово собранные и залитые компаундом!)

Может "маму русской демократии" спасёт генератор с механическим приводом от педалей?

AlexZander | Post:164596 - Date: 03.03.09(20:41)
Журнал Схемотехника №12 за 2005 год и №1 за 2006 год.

статья - С.Калюжный "Преобразователь с выходным напряжением синусоидальной формы".


PS: можно тут найти, хотя наверно есть места получше.

journal.knigka.info/category/shemotehnika/

lazj | Post:164597 - Date: 03.03.09(20:41)
спасибо. Приводом как нибудь сами... пока интересует киловатт, а вообще 5 в самый раз.

_________________
"Наука - это то, чего быть не может. То что может быть - это уже технический прогресс" (П.Л. Капица) "Делай, что должно и будь, что будет.."


asd-4f | Post:164599 - Date: 03.03.09(20:50)
> а вообще 5 киловатт в самый раз.<
...😘 , м-м-м...это требует от дельного разговора , э-э-э , специфика определённая , ну вот здесь профи :
[ссылка]
П.С ...ну : аккумуляторы 12 вольт 5 киловатт , это к..., ну к электрикам - подводникам (подводные лодки) , что - ли , я не...
😕

олег-джан | Post:164601 - Date: 03.03.09(21:00)
asd-4f | Post: 164599-профи-то они профи,да вот наворачивают схемы до маразма....
хорошая схема-простая схема!
Вот,к примеру у меня недавно встал ребром вопрос: снизить себестоимость штатного изделия для видеонаблюдения.....снизил...примерно раз в семь!С улучшенными параметрами....
А кто мешает эту ЕУ1 использовать на 50 гц?Все еще проще получается.....и конденсатор на выходной обмотке в резонанс...вот тебе и синус,чистый,не модифицированный...
Или еще вот было предложение усилитель аудио использовать....они вообще копейки сейчас стоят....все работает,проверено...давно....
Алена,только 5квт с аккума не особо снимешь....с 55-го,имется ввиду...

_________________
Обьективная реальность-бред,вызванный недостатком алкоголя в крови...


pendik | Post:164604 - Date: 03.03.09(21:05)
lazj Пост: 164597 От 03.Mar.2009 (20:41)
спасибо. Приводом как нибудь сами... пока интересует киловатт, а вообще 5 в самый раз.


покупается генератор от автобуса на 24 вольта на 200 ампер , делаются отводы перед 3 фазным мостом и подсоединяются к 3 фазному трансформатору. Всё "счастье" устанавливается под капотом любимого авто. (надо проявить смекалку и инженерный подход) если имеется надобность в большей мощности, то делается самодельный реле -регулятор. реально получить до 90 вольт на выходе (я получал до 60)., я это 12 киловат. при большой отбираемой мощности необходимо либо привод генератора сделать через зубчатый ремень, либо через цепь...в краинем случае многоручёвый шкив....(одиночный ремень буксует)

asd-4f | Post:164606 - Date: 03.03.09(21:08)
олег-джан Пост: 164601 От 03.Mar.2009 (21:00)
А кто мешает эту ЕУ1 использовать на 50 гц?Все еще проще получается.....и конденсатор на выходной обмотке в резонанс...вот тебе и синус,чистый,не модифицированный...
Или еще вот было предложение усилитель аудио использовать....они вообще копейки сейчас стоят....все работает,проверено...давно....

верно , да , просто ..., просто иногда хочется без трансформатора выходного 50 Гц , вес , габариты , ну это ..., вообщем это требует подхода , схематехника : не конструкция выходного дня...😕

lazj | Post:164607 - Date: 03.03.09(21:08)
олег-джан Пост: 164601 От 03.Mar.2009 (21:00)

хорошая схема-простая схема!

Алена,только 5квт с аккума не особо снимешь....с 55-го,имется ввиду...


Я есть понимайт, но я с дальним прицелом. Нехай буде. А к чему прислонять уж будет.
Резонанас оно хорошо, но как быть с динамической нагрузкой?

_________________
"Наука - это то, чего быть не может. То что может быть - это уже технический прогресс" (П.Л. Капица) "Делай, что должно и будь, что будет.."


олег-джан | Post:164608 - Date: 03.03.09(21:16)
А динамическая-это у тебе какая?Конкретно....многое работает на меандре спокойно...

_________________
Обьективная реальность-бред,вызванный недостатком алкоголя в крови...


lazj | Post:164612 - Date: 03.03.09(21:26)
ну если скажем станочек токаревый или что-т такое. Нет, Олег, ну выходное устройство для СЕ девайса должно быть совместимо с обычной нормальной сетью. Да и вообще такая штука сама по себе достаточно ценна, ее бы еще красиво решить.

_________________
"Наука - это то, чего быть не может. То что может быть - это уже технический прогресс" (П.Л. Капица) "Делай, что должно и будь, что будет.."


jonifer | Post:164613 - Date: 03.03.09(21:38)
CE при энерговооружённости 360 вт/кг сразу даёт безопорно - движущуюся платформу, а читать и при лучине можно.

queet | Post:164614 - Date: 03.03.09(21:50)
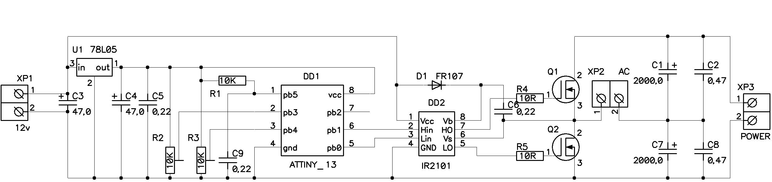
Алёна, схемка примерно такая ( в прицепе). Питание выходного каскада почти любое (IR2101 до 600v). Транзисторы и кондёры в зависимости от напряжения питания и мощи. 2-3 киловатта потянет. Програмульку, даст Бог, завтра покатаю и выложу.
Подстроечники для регулировки в некоторых пределах частоты и амплитуды выхода.


Размер: 129.99 KB

lazj | Post:164616 - Date: 03.03.09(21:57)
Пасибки.

_________________
"Наука - это то, чего быть не может. То что может быть - это уже технический прогресс" (П.Л. Капица) "Делай, что должно и будь, что будет.."


asd-4f | Post:164621 - Date: 03.03.09(22:12)
>СЕ.
то , что скажу далее , прошу понимать правильно , все совпадения случайны .
я немного занимаюсь медприборами , и по роду этой деятельности встречаюсь с врачами лечущих душевнобольных людей , так вот эти несчасные (больные) часто бывают в качестве гостей на НЛО , видели устройство силовых установок , пилоты НЛО всё показывают , ничего не скрывают , говорят : почти всё вам (современным людям) известно , тайны нет , это : эффекты сверхпроводимости , сверхтекучести , сверхсильные поля..., и.т.п . все обломки НЛО найденные на Земле содержат невиданные вам пока материалы , с неизвесными вам пока свойствами . постепенно нанотехнологии вам откроют доступ , это произойдет лет через 1 000 (после страшной воины) , а общий принцип будет известен уже через 50 лет .
😀

олег-джан | Post:164624 - Date: 03.03.09(22:19)
asd-4f | Post: 164621-ну если нанотехнологии с рыжим во главе-тогда точно через 1000лет 😭

_________________
Обьективная реальность-бред,вызванный недостатком алкоголя в крови...


<] [ 1 | 2 | 3 ] [>
У Вас нет прав отвечать в этой теме.
Форум - Прочие идеи (разные) - Схемотехника - DC/DC конвертор, помогите придумать. - Стр 2
🏠 Главная | 📚 Содержание | 💬 Форум | 📁 Файлы | 📩 Контакт