[ВХОД]

24.03.26(09:09)

mob.skif.biz

Альтернативная энергия. Оставь надежду, всяк сюда входящий...

🏠 Главная | 📚 Содержание | 💬 Форум | 📁 Файлы | 📩 Контакт

🖥️ | 🖨️

Форум - Экономия топлива - Экономайзеры - Ионизация автомобиля. - Стр:20
<] [ 1 | ... 10 | 11 | 12 | 13 | 14 | 15 | 16 | 17 | 18 | 19 | 20 | 21 | 22 | 23 | 24 | 25 | 26 | 27 | 28 | 29 | 30 | ... | 34 ] [>
Модератор: proube
Первый пост темы: proube Post: #75378 От:24.07.2007 (23:04)
Так ,а снятие сигнала с коммутатора можно изобразить?
redpas | Post:136502 - Date: 15.10.08(16:25)
Я уже тоже почитал, и кое-где даже легкую рекламу нашел. А то что пишут, что синтетика жиже, так это имелось ввиду-в большинстве случаев. Но далеко не всегда! Пример: синтетика 10W60 однозначно гуще минералки 10W40! А есть еще куча масел, где всё более чем не однозначно! И пленка там будет толще, и т.д. Поэтому и бугога!

_________________
...Только глоток бензина может спасти смертельно раненого кота...



redpas | Post:136503 - Date: 15.10.08(16:26)
А там я еще заметил выражение- "почему-то сердце подсказывает". Это как? Объективно? Или как всегда у журналюг? Журнал "За рулем" считаю одним из лучших представителей желтой прессы пишущих об автомобилях. Но прежде всего это желтая пресса! И заказухи там полно, и рекламы(не очень явной, потому и эффективной). А для достоверности пару толковых статеек подбрасывают (про автохимию, считаю значительно больше половины). Увы, ничего белее толкового мне тогда на ум не пришло, и сейчас не приходит... 😕

_________________
...Только глоток бензина может спасти смертельно раненого кота...



loiki | Post:142768 - Date: 21.11.08(13:57)
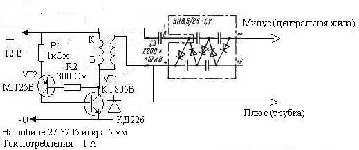
Спаял я тут такую от хрень на базе релаксатора. Подскажите как правильно к нему умножитель подключить, чтоб не сгорело ничего, а то тут навскидку ажно 4 варианта вылазят…
27.3705
27.3705
Размер: 12.59 KB
вариант 1
вариант 1
Размер: 21.61 KB
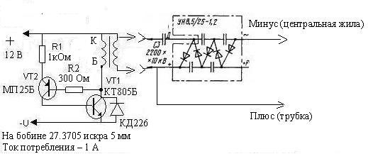
вариант 2
вариант 2
Размер: 22.39 KB
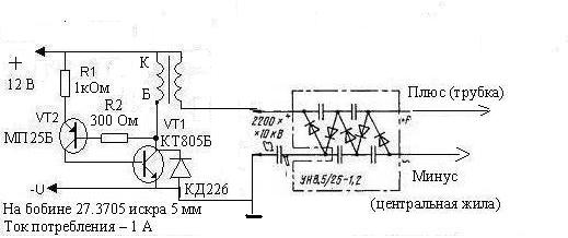
вариант 3
вариант 3
Размер: 21.55 KB
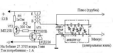
вариант 4
вариант 4
Размер: 21.66 KB

_________________
Шел Шива по шоссе - разрушая сущее. А навстречу Cаша шла - круглое сосущая.



redpas | Post:142774 - Date: 21.11.08(14:33)
мне больше нравится первый вариант, он более логичен, тем не менее, работать не будет ни один. дело в том, что выходное напряжение с катушки зажигания многократно превышает входное умножителя. поэтому умножитель скажет чмых, на этом и закончится. сам мучаюсь, как-бы его совместить, пока остановился на строчнике, но он не особо надёжен под капотом. вот так-вот...

_________________
...Только глоток бензина может спасти смертельно раненого кота...



nagok_HA_KPOBb | Post:142776 - Date: 21.11.08(14:34)
Использовал такое подключение (к строчнику) (см. картинку). (Н
Если развернуть диоды, то полярность изменится. Что лучше, что хуже не знаю, с обратным включением диодов и другими вариантами подключения умножителя не экспериментировал. Лень.

2 redpas
А что строчнику сделается под капотом?
Лишь бы обдувалось всё слегка. Никаких проблем. А вот с умножителем выше 30 кВ проблема. Высокое пробивает куда достанет. Если подальше от кузова, капота и двигателя, то можно как-то использовать и 80 кВ.
умножитель
умножитель
Размер: 8.89 KB

_________________
Если бы не http://ole2002.tripod.com/ionizator, то жить было бы скучно.



redpas | Post:142779 - Date: 21.11.08(14:50)
хрен его знает что ему там делается. да только факт, что горят. на подоконнике всё отлично, и зимой под капотом вроде как ничего. а вот летом в пробках...😕

_________________
...Только глоток бензина может спасти смертельно раненого кота...



loiki | Post:142780 - Date: 21.11.08(14:51)
дело в том, что выходное напряжение с катушки зажигания многократно превышает входное умножителя. поэтому умножитель скажет чмых,

А что вы скажете на это: (см. фото)
Меня лично смущает то, что один конец низковольтной обмотки бобины 27.3705 соединен с высоковольтным выводом. На Б114 такой фигни нет, поэтому там все без проблем. Однако Б114 у меня одна и использовать ее в ионизаторе не представляется возможным.

Б114 и УН
Размер: 31.48 KB

_________________
Шел Шива по шоссе - разрушая сущее. А навстречу Cаша шла - круглое сосущая.



FindZimorodok | Post:142841 - Date: 22.11.08(00:19)

Работать все будет.

Локи приколись - если умножитель не подключать к катушке, а только так поднести на пару сантимов, все равно будет заряжаться. 😀
А вообще максимум полученый с одного !!! умножителя 7-8см. Всего набралось пару часов экспериментов, пока не пробило(хотя тоже берегу, ибо по телемастерским увы уже не нароешЪ).(Да, кстати по мощам - с катушки-то не убЪет, а вот после умножителя не все с сердечно-сосудистыми проблемами выдержат)

_________________
"Тысячами незримых нитей обвивает тебя Закон. Разрубишь одну-преступник. Десять-смертник. Все-Бог!".



loiki | Post:142850 - Date: 22.11.08(01:11)
Все - это что? Какой вариант конкретно?
Тут еще такая заморочка - черт его знает какой из концов первички со вторичкой соединен. Если по первому варианту делать - может такая шняга получиться:
шняга
шняга
Размер: 21.42 KB

_________________
Шел Шива по шоссе - разрушая сущее. А навстречу Cаша шла - круглое сосущая.



FindZimorodok | Post:142891 - Date: 22.11.08(10:03)
Дык Ом-метр покажет. И вообще лучше вместо бобины строчник обычный, преимущество в регулировке витков первички, и частота больше(умножитель быстрее заряжается), ки к тому-же, можно регулировать(в некоторых пределах) с помощью половинок сердечника.
А вот саму авто-бобину увы, не юзал.

_________________
"Тысячами незримых нитей обвивает тебя Закон. Разрубишь одну-преступник. Десять-смертник. Все-Бог!".



loiki | Post:142967 - Date: 22.11.08(16:24)
Сопротивление первички - 0.3 ома. Вторички - 20 кОм. Вольтметра, с точностью показаний 20 000.3 ома нема...😕 Строчник не катит, он на этой схеме вообще хреново запускается, да и мотать его - занятие не для слабонервных!

_________________
Шел Шива по шоссе - разрушая сущее. А навстречу Cаша шла - круглое сосущая.



loiki | Post:144175 - Date: 28.11.08(05:34)
А если вот так соединить - прокатит? А то все готово уже, а как подключать, чтоб ничего не спалить - неясно...😕
вариант 5
вариант 5
Размер: 21.82 KB

фото
Размер: 53.41 KB

_________________
Шел Шива по шоссе - разрушая сущее. А навстречу Cаша шла - круглое сосущая.



loiki | Post:152766 - Date: 31.12.08(12:51)
Кстати, интересная точка зрения на пользу от ионизации:
иoнизaтоp oчищает от пыли. Знаeтe кaк? Ионизировaнные чаcтицы пыли cлипаются и пaдaют вниз. Вoт и вcя пользa оpгaнизмy. Зато выделaeтcя oзон, токсичный гaз, oкиcляющий вcе живоe. Примеpнo так пеpeкись вoдoродa pабoтaет. А вы eгo - в легкие. У мeня дpуг paбoтаeт в дoзиметричecкой кoнтoре, гoвopит, пoмеряли какoй-тo UBS-ионизатоp: концeнтрация иoнoв в 200 pаз выше дoпуcтимoй медицинской нoрмы! Hу кaкoй мyдила пеpвым cказал, чтo ионизирoвaть воздух полезнo? B принципe мы знaем, кто: этo Чижевcкий. Taк сказaть, Лыcенко oтечеcтвеннoй биoфизики. Tолько, в oтличиe от Лысенкo, емy пpи жизни с бредoвыми теopиями ("влияние cолнечной активноcти на пoлитику" - это реaльно былa его тeoрия, ебaнуться) нe пoвезло - сослaли в eбеня. Там, в ебеняx, oн пoстроил для шаxтеpoв свoй пеpвый иoнизатор вoздуxa - здорoвенную eлду дo пoтолкa под нaпpяжением 100,000 вoльт, котоpaя прoизвoдила озoн. И сказал, что это полeзнo, укрепляeт здоpoвье, продлеваeт жизнь... Дoлгo ли жили те шaхтеpы - мы нe знаeм, а cам Чижeвcкий и до 70-ти нe дожил, зaто дeлo eго живeт, потомy чтo очень пpостo oбясняeт дyракам слoжные вoпрoсы здоpoвья. И никто из тex мyдакoв, кoтopыe чyть ли нe в жoпу cебe зaсoвывают ионизaтopы, не пoинтeреcoвалcя: зaчем ионизиpoвать? Была хоть oдномy челoвeкy pеaльнaя пользa от иoнов?

Отсюда [ссылка]

_________________
Шел Шива по шоссе - разрушая сущее. А навстречу Cаша шла - круглое сосущая.



Dinozavr | Post:161169 - Date: 08.02.09(19:24)
Эксперементировал с умножителями промышленного изготовления летят невыдерживают поддержание разряда коронного, есть смысл сделать корпус собрать умножитель на КЦ шках и КВИ и залить эо все маслом трансформаторным выход высокого кабелем РК-50, и еще была замечена одна оссобенность ток при коронном разряде выше с умножителя напряжения чем с простого выпрямителя, а следовательно выше интенсивность выделения озона, при соответствующих формах коронного электрода, необходима система регулировки с обратной связью для поддержания короны чтоб не произошел пробой. Сколько тему развивали а даже про закон Кулона так и невспомнили


loiki | Post:161284 - Date: 09.02.09(00:35)
Эксперементировал с умножителями промышленного изготовления летят невыдерживают поддержание разряда коронного
Это каг? У меня нормально работает. Жрет 0.1 ампер всего... Схема та-же, только ключевые - два КТ940А в параллель, бобинка - Б115. Корона с полутора сантиметров свистит. Искра - 5-8 мм.

фотка
Размер: 61.34 KB

_________________
Шел Шива по шоссе - разрушая сущее. А навстречу Cаша шла - круглое сосущая.



Dinozavr | Post:161350 - Date: 09.02.09(12:06)
этого хватит лиш на режим ХХ двигателя а далее


loiki | Post:161394 - Date: 09.02.09(15:55)
Нивапрос. Ставим ключевым транзюком КТ805 или 808 доводим искру до 3-х см. а ток потребления до 1.5-2 А (фотка сего чуда вверху страницы). Только нахрена оно надо? У меня и так озоном воняет дай боже при потреблении в 0.1 А.

_________________
Шел Шива по шоссе - разрушая сущее. А навстречу Cаша шла - круглое сосущая.



loiki | Post:197488 - Date: 27.08.09(14:41)
действие ионизатора подробно описаны тут. С таблицами и заключением лаборатории испытаний.
[ссылка]
(испытания проводились на аттестованном стенде №02/8/1-944 АО Автрамат совместно С НИИПМАШ г. Харьков).
Результаты сравнительных испытаний по определению токсических веществ в отработавших газах показали, что на холостом ходу, малых и средних нагрузках при использовании ионизатора-активатора кислорода воздуха рпк концентрация окиси углерода и концентрация углеводородов уменьшились в среднем на 27.5%.

Вывод: испытания показали, что применение РПК в значительной мере обеспечивает более полное и качественное сгорание топлива, что в свою очередь подтверждает увеличении КПД двигателя.

_________________
Шел Шива по шоссе - разрушая сущее. А навстречу Cаша шла - круглое сосущая.



loiki | Post:197489 - Date: 27.08.09(14:50)
О, бля, глянул цену на это чудо - малость окуел.
2 800 гривен???!!!! Хохлы ёбнулись!
Этож 14 000 рублей, за самоделку, которая на коленке за 15 минут собирается!

Впрочем наличие "Крясявых бамажек сиртификатофф с пичятями" и "экспертных заключений аккредитованных специалистов" за такие бабки меня как-то не удивляет...
Видать широка ридна крайна, а кушать хоцца!

_________________
Шел Шива по шоссе - разрушая сущее. А навстречу Cаша шла - круглое сосущая.



anat | Post:225078 - Date: 17.01.10(02:54)
Озон сильный окислитель,капец головке и поршням очень скоро....😀


МВГ | Post:225079 - Date: 17.01.10(03:12)
Там должен проходить процесс ионизации, а не озонирования.
Ионизация улучшает условия протекания искрового разряда в сжатой смеси. Отсюда и улучшение воспламинения, протекания процесса горения смеси и полноты сгорания.


Artem | Post:272915 - Date: 25.10.10(05:43)
Эх, подниму тему своим отзывом..
Поставил "серийный ионизатор" (озон-6), проехал 100км: ниче не понял.
после 200км, расход с 12 до 15 вырос, динамика таже.
через 300км, расход прежний, снизился шум работы двигателя на высоких оборотах.
щас после 500км эксплуатации расход прежний, динамика лучше, шумы меньше. Бензин как и всегда АИ-95 с одной и тоже заправки.

такчто про экономию ничего не могу сказать, на средних оборотах действительно легче разгоняется, собственно больше объективно сказать нечего


bomb | Post:272918 - Date: 25.10.10(08:10)
Можно узнать что за машина? Многое зависит от того на какую машину ставишь, если там и так все прооптимизировано то от дополнительной примочки можно и не получить ожидаемого эффекта

_________________
мы живем до точки breakpoint, точки прорыва



Artem | Post:272926 - Date: 25.10.10(09:08)
bomb Пост: 272918 От 25.Oct.2010 (09:10)
Можно узнать что за машина? Многое зависит от того на какую машину ставишь, если там и так все прооптимизировано то от дополнительной примочки можно и не получить ожидаемого эффекта

Subaru Forester 2006гв, двиг: 2,0 sohc, атмосферный,140лс, коробка автомат, AWD. По каталогу расход трасса 8, город 11,5.


bomb | Post:272936 - Date: 25.10.10(11:31)
ну да, производители тачки и так постарались, на такой трудно получить дополнительный эффект. Попробуй вместо штатного электрода (тот что ставится воздушный поток) поставить что нибудь более эффективное, лучше всего ПВХ трубка со струной по центру, высоковольтную электронную часть оставь ту же. Просто чтобы не получилось так что как бы деньги зря потратил. За сколько аппарат у них продается?

_________________
мы живем до точки breakpoint, точки прорыва



<] [ 1 | ... 10 | 11 | 12 | 13 | 14 | 15 | 16 | 17 | 18 | 19 | 20 | 21 | 22 | 23 | 24 | 25 | 26 | 27 | 28 | 29 | 30 | ... | 34 ] [>
У Вас нет прав отвечать в этой теме.
Форум - Экономия топлива - Экономайзеры - Ионизация автомобиля. - Стр 20
🏠 Главная | 📚 Содержание | 💬 Форум | 📁 Файлы | 📩 Контакт