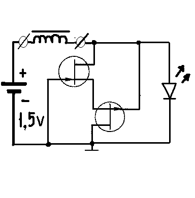
Легко, хоть два! Как видите, схема содержит три детали. Но, как и все простые схемы, капризна в настройке и выборе деталей. Не шедевр схемотехники, конечно, но может пригодиться там, где 5 мм свободного места, или должно весить 2 грамма.
Любителям сделать из ... конфетку посвящается.
Схема. Размер: 6.56 KB
== .FALSE. и это правда Размер: 17.46 KB
Размер: 15.62 KB
_________________ И мню аз яко то имать быть, что сам себе всяк может учить.
мне как раз наверно пригодится ,, вскрыл недавно фонарик
а там схема без дроссельная пожтому используется три батарейки ,, видел ещё как то подобную схемку в журнале радио но забыл где
Maniak Пост: 140015 От 07.Nov.2008 (10:14)
...ничего не понял
1.Напрямую к батарейке значит нельзя?...без всяких там транзисторов и ферритов.
напрямую придётся включать резистор чтобы ток ограничить потери энергии,, а такие схемы можно настроить чтобы они ограничивали ток и КПД выше ,,
и ещё светодиоды в импульсном режиме светят ярче
Eduard Пост: 140030 От 07.Nov.2008 (11:14)
Отвлечь посетителей от поиска Свободной Энергии!!! 😬
Опоздал. В магазинах за два енота продают китайскую поделку.
Солнечный элемент, аккумулятор, схемка повышения напряжения с 1,2 вольта до 3х.
Работает автоматически- есть солнышко-заряжается аккумулятор,
в темноте включается светодиод.
Преимущество перед приведенным выше преобразователем- больше кпд.
Eduard Пост: 139989 От 07.Nov.2008 (09:23)
Легко, хоть два! Как видите, схема содержит три детали. Но, как и все простые схемы, капризна в настройке и выборе деталей. Не шедевр схемотехники, конечно, но может пригодиться там, где 5 мм свободного места, или должно весить 2 грамма.
Любителям сделать из ... конфетку посвящается.
Схема простая, легко повторяемая и для питания светодиодов с падением напряжения 3,5 В требуется всего ОДНА батарейка 1,5 В. Для уменьшения потерь не мешало бы заменить резистор дросселем(если эта замена возможна схему). Моё уважение автору схемы.
Если кого-нибудь интересуют схемы питания светодиодов предлагаю также заглянуть сюда(скажу сразу, требуются две батарейки 1, 5В): [ссылка]
Если интерисует мое мнение, то не каатся... 😏 Есть еще такой штук:
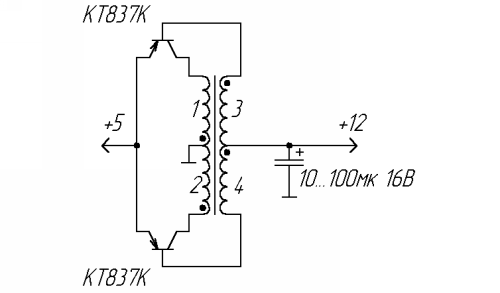
На транзисторах собран двухтактный генератор импульсов. Ток положительной обратной связи протекает через обмотки 3 и 4 трансформатора и нагрузку.
За счет пропорционально-токового управления транзисторами существенно уменьшены потери на переключение и повышен кпд. Роль диодов, выпрямляющих выходное напряжение, играют эмиттерные переходы транзисторов.
Магнитопроводом трансформатора служит кольцо К18?8?5 из феррита 2000НМ. Обмотки 1 и 2 содержат по 6 витков, а 3 и 4 - по 10 витков изолированного провода диаметром 0,5 мм. Каждую пару обмоток наматывают одновременно в два провода.
Инвертор работоспособен при уменьшении входного напряжения до 1В, необходимое количество витков рассчитывают по формуле:
Транзисторы выбирают ориентируясь на допустимые значения тока базы (он не должен быть меньше тока нагрузки) и обратного напряжения эмиттер-база (оно должно быть больше удвоенной разности входного и выходного напряжений). Для работы в преобразователях небольшой мощности во многих случаях подойдут транзисторы КТ208, КТ209, КТ501 и т.д. При этом трансформатор может быть выполнен на кольцевом магнитопроводе меньшего диаметра.
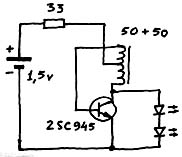
Мне вот такое решение понравилось, на аналоге лямбда диода. Правда с подбором транзюков пришлось немного повозиться, зато есть и бонус. Это двухполюсник,
им можно проверять дросселя на предмет КЗ.
А зачем от батарейки ,можна и без батарейки!😕
Как , да просто , СПИЧКОЙ😎 😎 😎 😬 😀.
А если серьёзно -светодиод это ещё и фотоэлемент в одном флаконе,
от зелёного света все практически напругу дают ,примерно 1вольт ,
даже крассные😀 О, как.
Только току нихрена не дают ,надо на полевик цеплять
Хочу выразить благодарность создателю темы.
На фото транзистор МП37А без резистора.
У меня в этой цепи работают абсолютно все транзисторы от КТ315 до 2N3055 и все от 1,2V.
Единственный недостаток - частота оказалась звуковой, и катушка пищит не хуже строчника.
С такой цепью любой микроветряк сможет поджечь светодиод.
я конечно извиняюсь, но смысл этого девайса мне не понятен на протяжении эдак лет десяти. мне абсолютно никто не смог объяснить зачем питать светодиод от 1,2-1,5В. ЗАЧЕМ? зачем туда тулить пару микросхем, пик-контроллер, две кнопки и хвастаться, что этот фонарик может тлеть полгода без подзарядки от АА батарейки. мой аргумент, что света в этом случае не достаточно даже для идентификации этого фанаря в полной темноте под одеялом, остался не услышанным. зачем?
мне как-то досталась пара аккумуляторов от ноутбука. каждый даёт по 3,6В, и ёмкость имеют 3200мАч. 5 светодиодов паралельно(с пятью резисторами)- и имею счастье- ответ это не спортивно, ты на пике собери, програмку напиши, отладь её, потом с нами спорь, а пока отойди мальчик в сторонку, и не мешай дядям общаться!
_________________ ...Только глоток бензина может спасти смертельно раненого кота...
А нет, пардон. Тада всё сходится! Беру свои слова обратно! Я вот иногда табуретки сам делаю, посчитал сколько времени трачу на это, умножил на те деньги, что мне платят в час. Ё моё! Хорошо, что додумался их из красного дерева ваять. Это как-то оправдывает стоимость поделки. Сделал уже две очень маленьких- своим деткам! Так что каждый сходит с ума по своему.
_________________ ...Только глоток бензина может спасти смертельно раненого кота...
к,ста ,,,проблема - в цифровике(фотоаппарат) обычно стоят батафейки(2-е пальчиковые, не абы какие а специальные с большим разрядным током) = 3,1вольта(когда новые). Обычно ставишь аккумы(2100-2600) , = 2,6 Вольта (пока свежезаряженные)....потома головняк - энергии в аккумах полно, но напруги не хватает и цифровик отключается. Если аккум или батафейка не даю ток КЗ около 4-5ампер (предварит. проверка),,,, камера также отказывается работать )...
Чего делать ???
Вод.
psih Пост: 141414 От 15.Nov.2008 (09:01)
Я на них 400рублей потратил... может их тогда лучше сразу в унитаз спустить? 😀
ограничение по току 1а max номинальные 700ma. Внутреннее сопротивление 1ом.
Рабочее напряжение от 3 до 3.99в. Рабочее 3.55в
queet дал правильное решение, так сделано в китайских светодиодных лампочках, это самое простое решение. Емкость конденсатора сам рассчитаешь, или помощь нужна?
_________________ Говорите говорите, я всегда зеваю когда мне интересно.
99,9% всех СЕ устройств, - от неправильных измерений