[ВХОД]

02.04.26(11:08)

mob.skif.biz

Альтернативная энергия. Оставь надежду, всяк сюда входящий...

🏠 Главная | 📚 Содержание | 💬 Форум | 📁 Файлы | 📩 Контакт

🖥️ | 🖨️

Форум - Резонансные генераторы - Прочие резонансные генераторы - Как намотать ХТ и БХТ - Стр:37
<] [ 1 | ... 27 | 28 | 29 | 30 | 31 | 32 | 33 | 34 | 35 | 36 | 37 | 38 | 39 | 40 | 41 | 42 | 43 | 44 | 45 | 46 | 47 | ... | 193 ] [>
Модератор: dedivan
Первый пост темы: dedivan Post: #126798 От:11.08.2008 (17:59)

Давайте сначала начнем с того как не надо мотать.
Слово Валере Лапутько.
Он проверил- так не работает.
dedivan | Post:129200 - Date: 24.08.08(20:27)
Ieronim
классовая борьба!!!, вместо простых омов, вольт, и амперов 😀 )
Вперед !!!!


Ну а что ты хотел? Это ведь не я начал.

Там ведь правильно сказано- не желай другим того, чего себе не желаешь.

_________________
я плохого не посоветую


bes | Post:129206 - Date: 24.08.08(21:21)
FEME | Post: 129193
Да бросьте Вы детством то заниматься. Спорить в детской песочнице, какие куличики лучше - круглые или квадратные. Будьте взрослее.
Если хотите, я дам Вам идею. Только в личке. Сам я в этом вопросе не компетентен. Она связана с Вашим другом Мотовелло, но, по моему имеет большие шансы на реализацию. Попробуйте открыть ветку, заинтересовать народ и вести эту ветку.

Toros | Post:129221 - Date: 25.08.08(01:46)
Предположение:
вот он и третий "секретный" элемент в ХТ.
[ссылка]
может поможет в понимании процессов внутри происходящих


Размер: 10.37 KB

zawas | Post:129229 - Date: 25.08.08(08:18)
Здравствуйте Сергей Борисович.
В посте 129074 Вы писали, что у ХТ обнаружено 14 особенностей.
Семь особенностей вы описали, опишите пожалуйста остальные семь особенностей ХТ.


_________________
А что будет, если....


inventives | Post:129231 - Date: 25.08.08(08:55)
valeralap Пост: 128865 От 22.Aug.2008 (20:10)
inventives | Post: 128853 Как тебе, нравится такая форма общения?

Привет, Валера!
Занят сдачей работ к 1 сентября, редко бываю в последнее время в сети, а уж посидеть с паяльником - вообще непозволительная роскошь. Вероятно что-то пропустил. О чем идет речь ?
Вчера удалось наконец выкроить 2 часа вечерком на хобби. Скрутил катушку, как понимал, подал наносек. импульсы. Отклик сразу понравился, прикинул частотуи х-ки, (все как учили - по реакции системы на воздействие типа единичный скачек)с трудом завел старый генератор Г4-18А, видавший виды в период активного радиолюбительства. Сей прибор с трудом выдал 1в. на катушку. Вставил в нее отвертку. На отвертке тоже 1в. Измерял осц. с закрытым входом. Частота чуть выше, чем у тебя. Затем вставил в катушку стержень Ф600НМ 200х10мм, ничего не изменилось, 1в. стабильно. Лампочку от такого не запалишь. Остальное тоже, как и предполагал. Разделаюсь с текучкой, перемотаю катушку, сооружу какой-нибудь QRP усилитель мощности, погоняю дальше.
Успехов!
73! СК


dedivan | Post:129236 - Date: 25.08.08(09:49)
inventives
Успехов!
73! СК


Радист это хорошо, это нетривиальная практика.
А то тут DLB и MDK замучали.

Мы вот на чем остановились, попросил я их посчитать число виточков,
которое делает волна в обычном коаксиале, исходя из коэффициента
замедления- укорочения.
На этом они и скисли.
Я уж не стал даже их спрашивать что будет если оплетку заменить
на катушку, но число витков уменьшить или увеличить по сравнению
с расчетным.

_________________
я плохого не посоветую


Гудвин | Post:129240 - Date: 25.08.08(11:18)
dedivan Пост: 129006 От 23.Aug.2008 (17:13)
Если уж хочешь вставить свои пять копеек, посчитай сколько витков
надо сделать волне по кабелю, чтобы время на 1 метр получилось
5 нс вместо 3,3нс по прямой. Диаметр кабеля 4 мм.

Исходя из этих данных у меня получается, что при скорости 300 тыс.км/с, на метре коаксиала волна делает около 3,6 млрд. витков.

_________________
Всё нужное - просто. Всё сложное - не нужно.


An77 | Post:129241 - Date: 25.08.08(11:27)
Гудвин Пост: 129240 От 25.Aug.2008 (12:18)... волна делает около 3,6 млрд. витков.
Разве вопрос был о длине волны? 😊

Ieronim | Post:129244 - Date: 25.08.08(11:48)
Vladislavbaginsky Пост: 129197 От 24.Aug.2008 (20:56)
Ieronim Пост: 129183 От 24.Aug.2008 (18:49)

Вы ранее написали , что по многим пунктам привели схему работы ХТ. Пожалуста, скажите всем в каком посте , за каким номером ваша схема. работает ли оан известном дмиапазоне частот? Что то не видел я вашей схемы, хотя все сообщения просматириваю. Просьба к остатльным участникам форума набраться терпения и не разводить склоку. Давно всем уже ясно, что и в школах и интститутах учат не всему истинному, поэтому даже те кто спецами себя считают пусть по придержат гонор!!


запомните вошебное слово - феррит.
[ссылка]
вставьте в него коаксиально две трубки - и будет вам счастье.
Если хотите, замените трубку бифилярной намоткой.

А для понимания- запомните, что индуктивность первички равна индуктивности вторички.

gluk | Post:129250 - Date: 25.08.08(12:21)
Cloс, спасибо за обозначенный принцип, хоть и не Вы инициатор, в данном случае.
Успехов.

val_128 | Post:129251 - Date: 25.08.08(12:39)
dedivan Пост: 129006 От 23.Aug.2008 (17:13)
Если уж хочешь вставить свои пять копеек, посчитай сколько витков
надо сделать волне по кабелю, чтобы время на 1 метр получилось
5 нс вместо 3,3нс по прямой. Диаметр кабеля 4 мм.
120 витков что ли?

dedivan | Post:129252 - Date: 25.08.08(12:42)
val_128 120 витков что ли?


Уже теплее.
А может все таки посчитать?

_________________
я плохого не посоветую


Гудвин | Post:129259 - Date: 25.08.08(13:49)
dedivan Пост: 129252 От 25.Aug.2008 (13:42)
val_128 120 витков что ли?


Уже теплее.
А может все таки посчитать?

Да что то я выше махнул на всю длину 😎
У меня получилось ~ 4 витка. - Что то я сегодня в трёх соснах точно плутаю😊. В последних расчётах выходит 12 витков.

_________________
Всё нужное - просто. Всё сложное - не нужно.


tera | Post:129260 - Date: 25.08.08(14:00)
120 витков что ли?

У вас ошибочка вот формулка 2piR.

_________________
“Я есмь и путь, и истина, и жизнь. Никто не приходит к Отцу иначе, кроме как через Я”


tera | Post:129261 - Date: 25.08.08(14:00)
Дед да все и так понятно согласен я тоже туда клоню. Только если по поверхности заменить МП на ток(провод) то мы еще раз крутит начинаем. Все это разные вещи.
Если магнитное поле скажем от двух источников воздействует на электрон виде компенсации то это не значит что их нет. НО электрон породит третье магнитное поле с другими свойствами(кручение).
Закон Киргоффа применим для тока но как показывает практика в коаксиале “тока нет” есть съем тока при УСЛОВИИ!

Я бы не спешил а вот у меня фибоначи вылазиет со своими кроликами хоть убей. А вот там можно будет построить единое от ЭМ до звука.

_________________
“Я есмь и путь, и истина, и жизнь. Никто не приходит к Отцу иначе, кроме как через Я”


SergeyA | Post:129266 - Date: 25.08.08(17:23)
Vladislavbaginsky Пост: 129101 От 24.Aug.2008 (12:30)
SergeyA Пост: 129093 От 24.Aug.2008 (11:33)
Alex,

ИМХО Суммирование может быть возможным только на ЭМВ в дальней зоне.
Приведите, если можете, хоть одну рабочую модель "дупликатора".

А почему бы вам не упорстрвовать и не понять , что ЭМВ, в том вмде максвеловской волны, ч то в школах учат, в природе не существует , что уже доказано. ....... а суть его в том , что обычная лампа накаливания, испускает фотоны, и электроны должны восстановить свою массу после излучения фотонов.....


Я в ядерной физике конечно никакой, но насколько я знаю, излучение фотона при изменении орбитальной энергии электрона ведет только к уменьшению его энергии, а не массы. Фотон вроде как частица без массы.

andy8mm | Post:129275 - Date: 25.08.08(18:54)
SergeyA, Vladislavbaginsky,
при изменении орбитальной энергии электрона ведет только к уменьшению его энергии

если его энергия уменьшилась значить он должен:
1. Распухнуть(по кольцегранной модели)-то есть занять выше орбиту, иначе электрон "упадет" на ядро. Так?
При "распухании" происходит толчек окружающего эфиру и волна в виде фотона побежала нам в глаз.
Вопрос: Где спусковой крючок заставляющий именно в лампочке электрон отдавать энергию, Кто-что заставляет его разрядиться(откуда это разряжение)?
Извиняюсь за вопрос в этой ветке, готов перенести пост в ветку "Что такое ток".

SergeyA | Post:129277 - Date: 25.08.08(18:58)
andy8mm Пост: 129275 От 25.Aug.2008 (19:54)
SergeyA, Vladislavbaginsky,
при изменении орбитальной энергии электрона ведет только к уменьшению его энергии

если его энергия уменьшилась значить он должен:
1. Распухнуть(по кольцегранной модели)-то есть занять выше орбиту, иначе электрон "упадет" на ядро. Так?
При "распухании" происходит толчек окружающего эфиру и волна в виде фотона побежала нам в глаз.
Вопрос: Где спусковой крючок заставляющий именно в лампочке электрон отдавать энергию, Кто-что заставляет его разрядиться(откуда это разряжение)?
Извиняюсь за вопрос в этой ветке, готов перенести пост в ветку "Что такое ток".

Переносите. Это будет правильно.
Но если его энергия уменьшилась, это значит что он стал ближе к ядру. Ниже падать некуда... а в лампочке - это же просто, за счет нагрева электрон возбуждается, а потом по какой-либо причине падает назад. Вот и излучается фотон. По-моему в школе проходили..... А почему падает можно поискать.

andy8mm | Post:129280 - Date: 25.08.08(19:32)
SergeyA, мы на разных позициях стоим. Посты перенёс.


val_128 | Post:129282 - Date: 25.08.08(19:35)
dedivan Пост: 129252 От 25.Aug.2008 (13:42)
val_128 120 витков что ли?
Уже теплее.
А может все таки посчитать?
Я не телепат, во всяком случае не такого уровня.
За 5нс волна должна пройти полтора метра. Эту длину нужно «намотать» на кабель 4мм длиной 1м. Если виток к витку тонким проводом получается 120. Но на 1м получится меньше. Как посчитать длину окружности по спирали я не знаю.

sw1972 | Post:129287 - Date: 25.08.08(19:52)
Попытался определить способ намотки ХТ и провел эксперимент, увы, неудачный.
Возможно не правильно понял идею обмотки ХТ.

Первый виток катушки L2 мотался следующим образом: виток начинается на левом крае каркаса катушки, азаканчивается возле правого края катушки, затем проводник укладывал вдоль оси катушки до точки, где начинался первый виток, данная точка является концом первого витка и началом второго витка. Затем второй виток идёт параллельно первому витку и поторяет его контуры. То, что получилось увидите на рисунках 4-8. Участок от конца предыдущего витка до начала следующего витка не удалось расположить строго параллельно оси катушки.
Проводники во время намотки фиксировал с помощью клея "Момент".
Два провода для двух полуобмоток, которые использованы для намотки катушки, были перевиты друг с другом для удобства намотки.

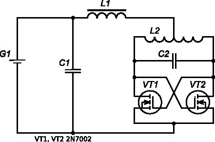
Сделал макет инвертора, схема которого приведена на рисунке 1.
Внешний вид макетной платы приведен на рисунке 2.
Инвертор расположен на левой стороне платы.
Фрагмент рабочего места показан на рисунке 3.

Напряжение питания берётся от батареи типа "Крона"(разряженная, другой у меня нет под рукой сейчас, но энергии хватает для работы).

Дроссель L1: намотан на сердечнике К16х8х6, марка феррита - 600НН, количество витков = 20, индуктивность (ориентировочно) = 190 мкГн.
Катушка L2 (рисунки 4,5,6,7 и 8): не содержит магнитопровода, количество витков - 34 (по 17 витков в каждой полуобмотке), намотка - бифилярная(чтобы магнитная связь меду полуобмотками была максимальная), каркас изготовлен из картона(перфокарта), диаметр каркаса катушки = 16 мм, длина каркаса катушки = 30 мм

Индуктивности намотаны проводом с диаметром медной жилы 0,15 мм (наружный диаметр провода с изоляцией 0,2 мм).

Конденсатор C1: номинальная емкость = 0,1 мкФ, группа ТКЕ - X7R,
Конденсатор C2: номинальная емкость = 150 пФ, группа ТКЕ - X7R или NP0(у меня нет упаковки этих кондёров, поэтому врать не стану),

Транзисторы VT1 и VT2 - типа 2N7002 (Philips) без защитных стабилитронов между затвором и истоком.

Напряжение на клеммах батареи = 8,33 В.
При подключнии цепей питания инвертора к клеммам батареи, напряжение на клеммах батареи - 7,61 В.
Ток, потребляемый инвертором:
- если нет сердечника внутри катушки L2, ток = 2,35 мА,
- если внутри L2 есть стержень стальной отвертки диаметром 2 мм, ток = от 4,0 до 6,0 мА,
- если внутри L2 есть проводник из меди с диаметром жилы 0,5мм, ток = 2,4 мА.
Параметры синусоиды, генерируемой инвертором (измерял осциллографом):
- период = 0,48 мкс (следовательно частота = 2,1 МГц),
- амплитуда = 12 В,
- напряжение между клеммами цепей питания инвертора = 7,6 В (значение, измеренное тестером M890G = 7,61 В).

В качестве "вторичной обмотки" использовал кусок многожильного провода с лужёными медными жилами, наружный диаметр пучка = 0,5 мм. Нагрузка "вторичной обмотки" - подстроечный резистор сопротивлением 2,2 кОм.

На осциллограмме (Рисунок 12) отображается, скорее всего, напряжение наводки, так как амплитуда изменяется в зависимости от расположения "вторичной обмотки". На осциллограмме рисунок 12 показано максимальное значение амплитудой 100 мВ, кроме того, на это напряжение накладывается фон более высокой частоты порядка 40-50 МГц.

Эффект не наблюдается!!!!!!!!
Что я сделал не так?
Буду рассматривать другие варианты.
Рисунок 1 (Схема инвертора)
Рисунок 1 (Схема инвертора)
Размер: 17.45 KB
Рисунок 2 (Плата с инвертором)
Рисунок 2 (Плата с инвертором)
Размер: 58.33 KB
Рисунок 3 (Фрагмент рабочего места)
Рисунок 3 (Фрагмент рабочего места)
Размер: 50.60 KB
Рисунок 4 (Обмотка катушки L2, вид 1)
Рисунок 4 (Обмотка катушки  L2, вид 1)
Размер: 100.01 KB
Рисунок 5 (Обмотка катушки L2, вид 2)
Рисунок 5 (Обмотка катушки  L2, вид 2)
Размер: 48.47 KB
Рисунок 6 (Обмотка катушки L2, вид 3)
Рисунок 6 (Обмотка катушки  L2, вид 3)
Размер: 50.50 KB
Рисунок 7 (Обмотка катушки L2, вид 4)
Рисунок 7 (Обмотка катушки  L2, вид 4)
Размер: 85.76 KB
Рисунок 8 (Обмотка катушки L2, вид 5)
Рисунок 8 (Обмотка катушки  L2, вид 5)
Размер: 49.04 KB
Рисунок 9 (когда напряжение на входе осциллографа равно нулю, точка отсчёта)
Рисунок 9 (когда напряжение на входе осциллографа равно нулю, точка отсчёта)
Размер: 29.95 KB
Рисунок 10 (на вход осциллографа подано напряжение питания инвертора, 5В/дел)
Рисунок 10 (на вход осциллографа подано напряжение питания инвертора, 5В/дел)
Размер: 39.11 KB

Рисунок 11 (Напряжение на полуобмотке L2, 5В/дел, 0,1 мкс/дел)
Размер: 127.92 KB

Рисунок 12 (Напряжение на "вторичной обмотке", 100 мВ/дел, 0,1 мкс/дел)
Размер: 139.43 KB

_________________
Хорошее - враг лучшего


dedivan | Post:129292 - Date: 25.08.08(20:22)
val_128 Как посчитать длину окружности по спирали я не знаю.


А вот такой способ как?
За 5 нс волна проходит 1,5 метра, причем прямо 1 метр, а полметра
за счет витков, стало быть их 40.

Вот если заменить у коаксиального кабеля сплошную оплетку на обмотку
из ленты 40 витков на метр - получается такой же кабель, но его применяют в измерительных системах, поскольку у него разные свойства
для прямой и отраженной волны.


_________________
я плохого не посоветую


andy8mm | Post:129298 - Date: 25.08.08(20:36)
sw1972,
рисунок 6 и 7 связан с рисунком
image
?

sw1972 | Post:129301 - Date: 25.08.08(20:47)
andy8mm Пост: 129298 От 25.Aug.2008 (21:36)
sw1972,
рисунок 6 и 7 связан с рисунком
image
?


Не могу ответить на этот вопрос.
Я последовал рекомендации относительно параллельных проводов, скорее всего не правильно понял идею.

_________________
Хорошее - враг лучшего


rezoner | Post:129314 - Date: 25.08.08(22:30)
dedivan

Если уж хочешь вставить свои пять копеек, посчитай сколько витков
надо сделать волне по кабелю, чтобы время на 1 метр получилось
5 нс вместо 3,3нс по прямой. Диаметр кабеля 4 мм.

А разве не корень из эпсилон тому причина? 😘

<] [ 1 | ... 27 | 28 | 29 | 30 | 31 | 32 | 33 | 34 | 35 | 36 | 37 | 38 | 39 | 40 | 41 | 42 | 43 | 44 | 45 | 46 | 47 | ... | 193 ] [>
У Вас нет прав отвечать в этой теме.
Форум - Резонансные генераторы - Прочие резонансные генераторы - Как намотать ХТ и БХТ - Стр 37
🏠 Главная | 📚 Содержание | 💬 Форум | 📁 Файлы | 📩 Контакт