[ВХОД]
26.04.26(04:38)

mob.skif.biz

Альтернативная энергия. Оставь надежду, всяк сюда входящий...

🏠 Главная | 📚 Содержание | 💬 Форум | 📁 Файлы | 📩 Контакт
 
Резонансные генераторы
Магнитные генераторы
Механические центробежные (вихревые) генераторы
Электростатические генераторы
Водородные генераторы
Ветро- и гидро- и солнечные генераторы
Прочие идеи (разные)
О форуме
Транспорт
Оружие
Научные идеи, теории, предположения...
Экономия топлива
Коммерческие вопросы
Струйные технологии
Торсионные генераторы
Новые технологии
Барахолка
Патентный отдел
Конструкторское бюро
Нейтронная физика
Торнадо и смерчи
Гравитация и антигравитация
Сделай сам. Советы.
Медицина и здравоохранение

🖥️ | 🖨️

Форум - Резонансные генераторы - Проекты Фролова - хитрый транс Зацаринина - Стр:10
<] [ 1 | 2 | 3 | 4 | 5 | 6 | 7 | 8 | 9 | 10 | 11 | 12 | 13 ] [>
Модератор: AlexFrolov
Первый пост темы: AlexFrolov Post: #125926 От:07.08.2008 (07:32)
хитрый трансформатор Зацаринина в стадии патентования... автор изобрел особый способ "намотки первичной катушки"... обсудим?
Petr | Post:126554 - Date: 10.08.08(13:22)
ferro |
Post: 126541 - Date: Sun Aug 10, 2008 1:37 pm

Есть еще одна мысль намотки, витков 10 по часовой затем 10 против часовой и т.д. Секций сделать четным числом. Штучек по 4-5 пар.
А вдруг?

Сloc, с вами я согласен. Вопрос еще: провод один или пара?
С трансформатором тока Роговского без магнитопровода я знаком на практике, у него высокоомный выход, зато линейная зависимость.

Недавно монтировал счетчик электроэнергии с трансформаторами тока.
Трансформатор выглядел как обычный соленоид с продетой латунной шинкой по которой проходит ток. Катушка нагружалась на шунт внутри счетчика.

Странно, витки взаимоперпендикулярны, а эдс наводится?


cloc | Post:126557 - Date: 10.08.08(13:38)
Petr Пост: 126554 От 10.Aug.2008 (14:22)
ferro |
Post: 126541 - Date: Sun Aug 10, 2008 1:37 pm

Есть еще одна мысль намотки, витков 10 по часовой затем 10 против часовой и т.д. Секций сделать четным числом. Штучек по 4-5 пар.
А вдруг?

Сloc, с вами я согласен. Вопрос еще: провод один или пара?
С трансформатором тока Роговского без магнитопровода я знаком на практике, у него высокоомный выход, зато линейная зависимость.

Недавно монтировал счетчик электроэнергии с трансформаторами тока.
Трансформатор выглядел как обычный соленоид с продетой латунной шинкой по которой проходит ток. Катушка нагружалась на шунт внутри счетчика.

Странно, витки взаимоперпендикулярны, а эдс наводится?


В трансформаторе тока нет взаимоперпендикулярных витков. Латунная шинка - примерно четверть витка, раположенного параллельно виткам измерительной обмотки.

asd-4f | Post:126559 - Date: 10.08.08(13:47)
...Не желаете, не открывайте...
cloc, многие мои знакомые, люди бизнеса прочитали ветку, вот совет:
не бойтесь страшилок: месть нефтянникоФ, службы,...и т.д. если у вас есть что интересное, идите в крупные, нормальные фирмы типа: АВВ,SIEMENS...никто вас не "кинет", свои деньги, и не малые Вы получите, другое дело увидет ли Это МИР, но это другая история...за свою работу, идеи, еще раз, деньги Вам дадут, плучите фин. независимость, и будете работать дальше, успехов Вам.

cloc | Post:126560 - Date: 10.08.08(13:55)
asd-4f Пост: 126559 От 10.Aug.2008 (14:47)
...Не желаете, не открывайте...
cloc, многие мои знакомые, люди бизнеса прочитали ветку, вот совет:
не бойтесь страшилок: месть нефтянникоФ, службы,...и т.д. если у вас есть что интересное, идите в крупные, нормальные фирмы типа: АВВ,SIEMENS...никто вас не "кинет", свои деньги, и не малые Вы получите, другое дело увидет ли Это МИР, но это другая история...за свою работу, идеи, еще раз, деньги Вам дадут, плучите фин. независимость, и будете работать дальше, успехов Вам.


Как это мило. А кто Вам сказал что я испытываю нужду в финансах? До недавнего времени я директор и владелец Научно производственной фирмы.
А на счет "не бойтесь" .... хлопотное это дело, напугать меня...

Lolik-Bolik | Post:126561 - Date: 10.08.08(13:57)
Как вариант: железная катушка-первичка намагничена перед использованием вдоль оси. Обмотка по Колеру. См. изобретение капитана Колера (Hans Coler) в 30х гг.

П.С. репект автору за оригинальность мысли. Думаю политические баталии о смысле ВД и об алчности людей как минимум долгожителям форума уже порядком надоели. Перепробовав с десяток вариантов и поломав голову годами крайне неубедительно читать отверждения о замалчивании свободной энергии. (c)2008. Mое мнение.

image

_________________
Какой бы сложной проблема ни оказалась, ее обязательно решат через столетия. (C) Г. Александров


katmani | Post:126566 - Date: 10.08.08(14:30)
Скажу о себе, я начинаю думать о высоком, о духовных ценностях, о мире во всем мире, о том как искренне и бескорыстно помочь другим, только после удовлетворения основных инстинктов еды и секса, не просто так, а когда тотально во всех возможных вариантах и условиях. Только тогда это все отпадает. Не даром в индии есть храмы снаружи украшенные фигурами людей занимающихся сексом, и простой человек думает если снаружи такое, что же там внутри, наверное полный разврат, я туда лучше не пойду. И остается снаружи. А внутри пустота и чистота. А он об этом даже не узнает, изза своего страха.
Чтобы пройти невежество и хамство нужно признать их в себе, сказать да я хам и хочу много денег, славы, власти, хочу много женщин. И пойти в это тотально. Насытится этим до самых краев. Тогда это все отпадет. Так можно придти к высоким ценностям.
Да ктото хочет заработать денег на низкоамперном разложении воды, но наверняка у него есть более скрытые желания которые он маскирует желанием заработать деньги, может он хочет любви и счастья.
Так зачем тратить жизнь на то чтобы зарабатывать эти деньги, если можно сразу быть счастливым, и идти к цели напрямик.

Изза боязни властей или отдельных людей дать человеку источник свободной энергии мы не можем войти в тот самый храм, а только смотрим на его якобы пугающие стены и всех пугаем, что внутри еще хуже.

Свободные источники энергии нет смысла патентовать, это всеравно что запатентовать любовь, воду, воздух, землю, космос. Они есть и они для всех! И они придут в нашу жизнь, не от этих людей так от других, а может и мне приснятся. И я все вам расскажу. И сделаю.

Я уверен что все эти источники свободной энергии наконецто снимут с людей желание зарабатывать деньги, и мы начнем думать о более высоких ценностях, о любви, радости, счастье, веселье, будем жить любить радоваться, танцевать 😀

cloc | Post:126567 - Date: 10.08.08(14:33)
Ваши слова замечательны. Искренне. Только я не думаю, что если немедленно выложу десяток конструкций (на все случаи жизни) миллионы людей скажут мне спасибо. Проклянут - точно. Благими намерениями дорога... известно куда выстлана.
Вы только представте, что произойдет с современной экономикой да и мироустройством в целом. Сколько людей окажется на улице, умрут с голода, погибнут в хаосе. Потом - да, царство небесное. Но как к нему перейти?

Petr | Post:126568 - Date: 10.08.08(14:35)
Cloc, так все-таки провод один или пара?
На флуд не обращайте внимание, здесь это умеют делать.
За подсказку о токовом трансе спасибо.
Счас газ перевести со старого в новый дом (частный в черте города)
просят 80 килорублей, вот она монополия, при чем стояк уже есть.

lazj | Post:126570 - Date: 10.08.08(14:45)
DED Пост: 126425 От 09.Aug.2008 (20:48)
Абсолютно со всем согласен, Сергей Борисович! Надоело оболваниваться, совсем тупой стал. Правда в форумах не хватает, на мой взгляд, фотографий, а отсюда и недопонимание и масса теорий. А лучше один раз увидеть, чем десять раз прочитать об этом.
Я тут поснимал немножко свои поделки.


С некоторой долей приближения попыталась повторить Ваш опыт в качестве феррита использованы два сердечника от ТВС, конденсаторы К 78-2. (791 файл)
на конденсаторе входном порядка 300 вольт (почти синус , контур возбуждается прямоугольником, конденсатор - элемент контура), на нем порядка 300 вольт сигнал (790 файл)

на выходе порядка 4 вольт пики и это без нагрузки. Где ошибка?

Осциллограммы 20 мкс на деление


Размер: 151.94 KB


Размер: 161.09 KB


Размер: 161.97 KB

_________________
"Наука - это то, чего быть не может. То что может быть - это уже технический прогресс" (П.Л. Капица) "Делай, что должно и будь, что будет.."


lazj | Post:126572 - Date: 10.08.08(14:56)
cloc Пост: 126567 От 10.Aug.2008 (15:33)
Вы только представте, что произойдет с современной экономикой да и мироустройством в целом. Сколько людей окажется на улице, умрут с голода, погибнут в хаосе. Потом - да, царство небесное. Но как к нему перейти?


Никто не окажется на улице, слишком весь этот маховик раскручен, произойдет некоторое перераспределение "фокусов", но происходить это будет никак не в одночасье. Так что умрут с голода те, кто и сегодня умирает.

_________________
"Наука - это то, чего быть не может. То что может быть - это уже технический прогресс" (П.Л. Капица) "Делай, что должно и будь, что будет.."


Ieronim | Post:126580 - Date: 10.08.08(15:29)
ferro Нету.
А людишек спасать надо, ибо душа бесценна!
Да, да, душа бесценна, но люди ей не могут воспользоваться потому что жадные и глупые 😀 Это уже понятно.
Значит нет ферромагнетика, я так и думал.

roman-uhf - я этим хотел сказать что ферромагнетик есть в ХТ или нет? 😀

Ieronim | Post:126582 - Date: 10.08.08(15:43)
roman-uhf Пост: 126581 От 10.Aug.2008 (16:38)
2 Ieronim : А Вы довольно невнимательно читали форум , или Вам нравится сам процесс ? 😬

я довольно внимательно читаю, то что я читаю. И поэтому не верю всему что написано.
Если Вы написали что ферромагнетика нет, то для меня это ничего не значит потому что эти слова не имеют никакого подтверждения.

Ieronim | Post:126591 - Date: 10.08.08(16:04)
а вам тем более
[ссылка]
:-)

ferro | Post:126592 - Date: 10.08.08(16:08)
🤢

roman-uhf | Post:126594 - Date: 10.08.08(16:15)
Специально для проверки доставал с заваленной полки Г4-153 (думал, что эти "дрова" уже не пригодятся 😈 ) , ну и С1-99 - пока еще не на пенсии . Мог бы погонять этот транс и на Х1-43 - доработанный до 3,2ГГц , но уже не увидел смысла - и так все нормуль пашет . Чего еще время тратить ? Я сейчас тоже не бездельничаю - отлаживаю комплектик оборудования , да над бездельниками потешаюсь ... 😕

odisw | Post:126598 - Date: 10.08.08(16:34)
У Ральфа в теме прорабатывал этот вариант и полагаю, что он уместен:
обмотка соленоида мотается на плоской прямоугольной пластине, которая затем сворачивается в трубку.
Индуктивность есть, а по отношению к оси трубки - бифиляр.
С уважением

ferro | Post:126599 - Date: 10.08.08(16:36)
odisw Пост: 126598 От 10.Aug.2008 (17:34)
У Ральфа в теме прорабатывал этот вариант и полагаю, что он уместен:
обмотка соленоида мотается на плоской прямоугольной пластине, которая затем сворачивается в трубку.
Индуктивность есть, а по отношению к оси трубки - бифиляр.
С уважением


Но первичька с вторичькой не перпендикулярны. 😡
Тотже тор но без сердечьника, читайте ветку.

odisw | Post:126600 - Date: 10.08.08(16:41)
Уважаемый Ferro, отгони демонов - сверни пластину в другом направлении.

sw1972 | Post:126602 - Date: 10.08.08(17:01)
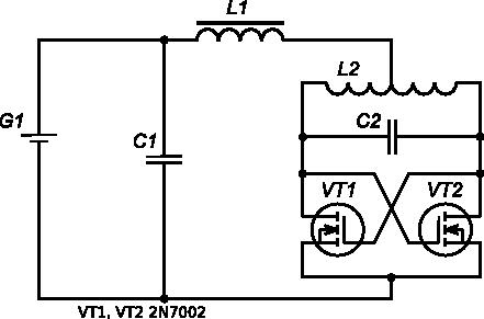
Попробую испытать Хитрый Трансформатор на частотах более 1 МГц.
Схема инвертора приведена на рисунке. ХТ будет выполнен на катушке L2.
Напряжение питания инвертора = 9В.
Амплитуда напряжения на крайних выводах катушки L2 = 15В.
Инвертор для проверки работы ХТ
Инвертор для проверки работы ХТ
Размер: 17.45 KB

_________________
Хорошее - враг лучшего


sw1972 | Post:126603 - Date: 10.08.08(17:01)
О результатах сообщу не сегодня.

_________________
Хорошее - враг лучшего


FEME | Post:126606 - Date: 10.08.08(17:18)
sw1972 Пост: 126602 От 10.Aug.2008 (18:01)
Попробую испытать Хитрый Трансформатор на частотах более 1 МГц.
Схема инвертора приведена на рисунке. ХТ будет выполнен на катушке L2.
Напряжение питания инвертора = 9В.
Амплитуда напряжения на крайних выводах катушки L2 = 15В.


sw1972,
Эта схема мультивибратора Вами проверялась? Если да, то можно подробнее по номиналам, L1, и С2? В общем то с L1 понятно, но все же. А С2, по каким критериям подбирается?

_________________
\\\"Если ты не умеешь владеть собой, тобой завладеют другие\\\" (Кроното—Сумус)


SergeyA | Post:126607 - Date: 10.08.08(17:23)
По-моему это моя ложка дегтя, буду рад если это не совсем так.

sw1972 | Post:126608 - Date: 10.08.08(17:31)
FEME Пост: 126606 От 10.Aug.2008 (18:18)
sw1972 Пост: 126602 От 10.Aug.2008 (18:01)
Попробую испытать Хитрый Трансформатор на частотах более 1 МГц.
Схема инвертора приведена на рисунке. ХТ будет выполнен на катушке L2.
Напряжение питания инвертора = 9В.
Амплитуда напряжения на крайних выводах катушки L2 = 15В.


sw1972,
Эта схема мультивибратора Вами проверялась? Если да, то можно подробнее по номиналам, L1, и С2? В общем то с L1 понятно, но все же. А С2, по каким критериям подбирается?


Проверялась и не однажды! Схема работоспособна. Имейте в виду, полевики не должны иметь ограничителей напряжения между затвором и истоком.
Не стану срывать, были проблемы с несколими экземплярами полевиков. Возможно, они были пробиты статикой. Заменил - работает нормально.

Можете посмотреть информацию здесь:
[ссылка]
[ссылка]

О номиналах ЭРИ сообщу попозже. Схема собрана, но провести эксперимент пока не могу, обстоятельства сегодня не позволяют.

_________________
Хорошее - враг лучшего


inventives | Post:126609 - Date: 10.08.08(17:50)
odisw Пост: 126598 От 10.Aug.2008 (17:34)
..обмотка соленоида мотается на плоской прямоугольной пластине, которая затем сворачивается в трубку. Индуктивность есть, а по отношению к оси трубки - бифиляр.

Сильно сомневаюсь. Виток катушки должен ОХВАТЫВАТЬ ось катушки, а в Вашем случае это вид сбоку..

dedivan | Post:126612 - Date: 10.08.08(17:55)
inventives Сильно сомневаюсь.


Не сомневайся, на фото БХТ на заднем плане не челнок для намотки
а именно заготовка торроида.

_________________
я плохого не посоветую


<] [ 1 | 2 | 3 | 4 | 5 | 6 | 7 | 8 | 9 | 10 | 11 | 12 | 13 ] [>
🔒 Тема закрыта. Добавление новых сообщений невозможно.
Форум - Резонансные генераторы - Проекты Фролова - хитрый транс Зацаринина - Стр 10
🏠 Главная | 📚 Содержание | 💬 Форум | 📁 Файлы | 📩 Контакт