[ВХОД]

01.04.26(17:04)

mob.skif.biz

Альтернативная энергия. Оставь надежду, всяк сюда входящий...

🏠 Главная | 📚 Содержание | 💬 Форум | 📁 Файлы | 📩 Контакт

🖥️ | 🖨️

Форум - Магнитные генераторы - Генератор МЕГ - Генератор Иванова - Стр:16
<] [ 1 | ... 6 | 7 | 8 | 9 | 10 | 11 | 12 | 13 | 14 | 15 | 16 | 17 | 18 | 19 | 20 | 21 | 22 | 23 | 24 ] [>
Модератор: AlexFrolov
Первый пост темы: AlexFrolov Post: #67155 От:01.05.2007 (10:08)
Валерий Иванов прислал отличные новости про свой генератор. смотрите на его сайте и делайте! Кому нужны пояснения - пишите мне или автору.

Итак, сайт Валерия Иванова про его МЕГ [ссылка]

Автор прислал письмо, из которого ясно что втономный режим он пока не получил...

------------------------------------------------
Здравствуйте, Александр!
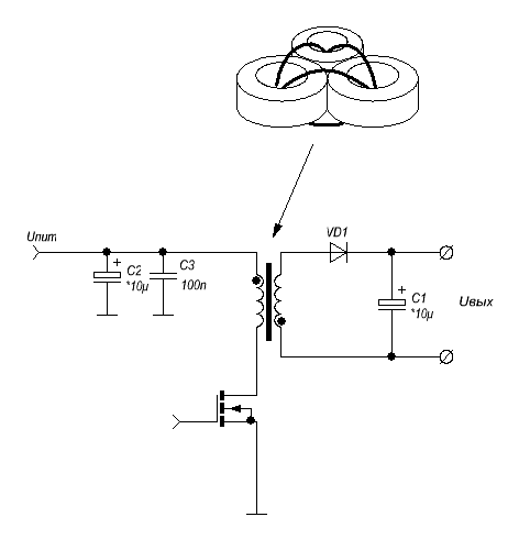
По деле. Управляющая катушка только одна. Выглядит так, потому что она четыресекцийная, для получения равномерного магнитного потока в сердечнике. Соединяются они через одна, так, чтобы в сердечнике получился круговой магнитный поток. Как и указано на схемах.
По отношении выходную мощность – нет ограничения.
Хотя бы на теорию.
Железо обычное, тольщина 0.5 мм, для 50-100 Гц, как максимум.
Хорошо было бы если управляющие импульсы были прямоугольные, но это не обязательно. Там, но фотосы, управление осуществляется из польпериод синосуидального, получаемые на исходе однополупериодного выпрямителя. В данном случае есть одна особенность: выпрямитель работает в режиме с источником ОЭДС. Как например при зарядка акомуляторов или при капаситивная нагрузка. Вследствие этого имеем укорочивания работа винтилья(диода) на примерно 2 до 4 милисек. Вот и длина импульса. Частота следования – 50 Гц. Это так на образцах, показани в сайте. Эффективность по отношении затраченную энергии на управления процеса – весьма хорошая. Свыше 1:3. Ну, это подлежить на предварительные рассчеты. Конечно, простота внешного вида можно и заблудить, но работа имееть весьма сложный характер.

В отношении бизнеса .............. удалено по просьбе автора.....

Работа в автономном режиме не пробовал, так как нет у меня все необходимое. Стоимости только одного драйвера свыше 100 евро. А нужны и инверторы и другое... Но не вижу причин чтобы не было. Нет таких.
Все таки, думаю, что сперва надо быт только как усилватель мощности, чтобы не вызвало оппозиция среди незаинтересованных. А и не надо распространятся сверхожидания среди людей. По моему это не будет по карману каждому, как выглядит на первый взглядь.
Исспользования более качественных материалов можно довести только до уменшения габаритов и улучшения выходных параметром, так и уменшения затрат на управления. Но это еще повысить стоимости изделия.
Пока от меня все.
Рад, что установили контакт.
Всего хорошего желаю Вам и удачи!

С уважением,
Валерий Иванов
OPTICUT | Post:124860 - Date: 29.07.08(18:07)
Дык, там в схеме перед полевиком стоит КТ973, как раз для Gate charge😕

dedivan | Post:124862 - Date: 29.07.08(18:11)
OPTICUT110H


Ну вот прибавь источник питания для оптодрайвера, потребление
самого светодиода и что останется от халявы?
Да и для 973 25ма в базу мало, нужно порядка 100 ма импульс.

_________________
я плохого не посоветую


OPTICUT | Post:124867 - Date: 29.07.08(18:45)
Обсуждался вариант опторазвязки компа от коммутатора,с быстродействием у HCPL отлично. Они у нас в станках в обратной связи стоят, и если сгорит заменить нечем.


а если так считать, то нужно еще и потребление компа прибавить 😊


У 2400 нагрузочная мощность 600мВт(пиковая), если я правильно понял из даташита 25мА это для 18вольт на открытом коллекторе.

В Вашей схеме, если не ошибаюсь 7555 стоит, для неё 100мА предел однако. 😛

dedivan | Post:124876 - Date: 29.07.08(19:12)
OPTICUT110H Они у нас в станках в обратной связи стоят, и если сгорит заменить нечем.


Не пойми что я против опторазвязки, это хорошо особенно когда комп
на управлении стоит.
Просто разговор тут о другом идет- как в один ватт все управление
и все потери уложить.

_________________
я плохого не посоветую


dedivan | Post:124879 - Date: 29.07.08(19:25)
FEME Лучше непосредственно в воде сверить.


Еще лучше когда колечки друг в друга вставляются.
Например К45 с внутренним 28 для него есть колечки К28
Там только пропилы сделать.

А по поводу железной ленты - пробовал самую хорошую все равно потери
по сравнению с ферритом на порядок больше.

_________________
я плохого не посоветую


OPTICUT | Post:124883 - Date: 29.07.08(19:48)
dedivan Пост: 124876 От 29.Jul.2008 (20:12)
OPTICUT110H Они у нас в станках в обратной связи стоят, и если сгорит заменить нечем.


Не пойми что я против опторазвязки, это хорошо особенно когда комп
на управлении стоит.
Просто разговор тут о другом идет- как в один ватт все управление
и все потери уложить.


Вот блин, а чё вариантов больше нет😘, 1вт на внутренние потребности и 1вт халявы. Маловато будет&#128536;
Как вариант:
Можно первый канал запитать (управлять) от задающего генератора, второй от первого (с отвода или маленькой обмотки в магнитной цепи первой обмотки, третий от второй аналогично, а затем рубить все три силовые обмотки одним силовым быстрым ключом.

А где прочитать про патент МPI?

mike | Post:124884 - Date: 29.07.08(19:58)
http://www.magneticpowerinc.com/patent.html
[ссылка]

FEME | Post:124886 - Date: 29.07.08(20:04)
Вот раньше loki загружал нас схемами мультивибраторов, есть там и вариант и на половиках (см. в архиве), там же, есть, и "Бегущие огни" на трехфазном мультивибраторе.
Вопрос: Можно ли собрать такой же трехфазный мультивибратор, на трех полевиках, дросселе, и трех катушках- в том числе катушки которые в давийсе от ДедаИвана?

280010.rar
Размер: 102.75 KB

_________________
\\\"Если ты не умеешь владеть собой, тобой завладеют другие\\\" (Кроното—Сумус)


andy8mm | Post:124889 - Date: 29.07.08(20:55)
В копилку знаний
[ссылка]
dedivan, хватит прятать учебник, скоро 1 сентября.😊

dedivan | Post:124890 - Date: 29.07.08(21:13)
andy8mm
dedivan, хватит прятать учебник, скоро 1 сентября.😊


Дык я уж и не знаю как еще можно рассказать.
Делайте, ручками, это самое лучшее.
А уж детали и тонкости дед давно обсосал, это можно
в процессе работы решать.

_________________
я плохого не посоветую


mike | Post:124896 - Date: 29.07.08(21:40)
dedivan, что посоветуешь: 3 кольца добивать, или вариант графически представленный AlexZander обкатать? Кольцо сверлить не проблема.

И ещё подведи черту насчёт управления, а то мнения разделились-- одни убеждены, что нужно управлять "бегущим огнём", другие считают что насыщать нужно синхронно, разъясни😊, а то "ищущие" могут потратить зря время, неправильно руля девайсами.😕

Все-таки мне щас лень заниматься контроллерами, поэтому чтоб схалявить, задумал просто собрать три отделных генератора на тл494, и синхронизировать их генератором пилы(в документации написано про возможность синхронизации), пока никаких препятствий не вижу в схемотехнике.)


dedivan | Post:124912 - Date: 29.07.08(23:40)
mike dedivan, что посоветуешь: 3 кольца добивать, или


Самое простое 2 магнита и одна обмотка.
А как магниты присобачить- можно кольцами, можно как у ферро,
можно покрутить на пальцах как удобнее из того что есть.

_________________
я плохого не посоветую


mike | Post:124915 - Date: 29.07.08(23:55)
😘Я имел в виду твою систему без магнитов)

dedivan | Post:124919 - Date: 30.07.08(00:37)
Проще сказать как не надо делать.
Вот например похожая система с типичными ошибками.
Отсутствие рекуперации, только две плоскости намагничивания.
[ссылка]

_________________
я плохого не посоветую


AlexZander | Post:124938 - Date: 30.07.08(08:57)
Деда Ваня! Был разговор в теме НЭГ по поводу поднятия КПД девайса, но думка до конца не додумалась. Ralf использовал "короткозамкнутые витки" - один виток охватывающий 2 сердечника одновременно для поворота вектора индукции в более чем одном магнитопроводе. И все это на холостом ходу. И кроме всего прочего схема у него двухполупериодная.



И еще вопрос:

Что может дать "отцам русской демократии" 😏 обмотка "змейка"?!



dedivan | Post:124939 - Date: 30.07.08(09:39)
По поводу двухполупериодной раскачки- понятно в два раза больше
использование сердечника и соответственно мощность.
Тут только экономика- что дешевле- поставить колечко в два раза большее
или четыре ключа вместо одного.

Резонансная схема- трудность изменения параметров намагничивания,
импульсом проще- регулируя длительность.

Змейка это выход из незамкнутости магнитной цепи.
Вариант 3 кольца -все плоскости намагничивания замкнуты.
Вариант 1 кольцо- только одна замкнута, в остальных плоскостях
тогда требуется больше энергии для намагничивания,
Змейка дает возможность чередуя полюса имитировать замкнутость
магнитопровода.

_________________
я плохого не посоветую


AlexZander | Post:124951 - Date: 30.07.08(10:33)
Если я все правильно понял, и если действительно все так гладко, предложу вариант "молот Тора":



Размер: 4.03 KB
И подсказка от древних. ;)
И подсказка от древних. ;)
Размер: 46.61 KB

mibor | Post:124954 - Date: 30.07.08(10:45)
...... Улучшенное индуктивное устройство из ферромагнитного материала, производящее два или три, ортогональных магнитных поля во всех точках в пределах сердечника. Индуктивное устройство этого типа имеет уникальные свойства, которые не найдены в обычных устройствах, имеющих только одно, одноосное магнитное поле.
Размер файла: 1.23 MB Дата публикации: 05.06.2005
--------------------------------------------------------------------------------
[ссылка]

AlexZander | Post:124960 - Date: 30.07.08(11:26)
Молот тора(Thor hummer) - древний электрошокер с автономной подзарядкой? 😏

zawas | Post:124989 - Date: 30.07.08(15:08)
Дедиван, а такая компоновка подойдет?
Вариант 3 кольца -все плоскости намагничивания замкнуты.

9dc469.doc
Размер: 39.50 KB

_________________
А что будет, если....


dedivan | Post:125019 - Date: 31.07.08(13:14)
zawas а такая компоновка подойдет?



Я все никак не соберусь попробовать такую катуху в качестве
униполярного двигателя.
Сама себе магнит.
Мож кто попробует?

_________________
я плохого не посоветую


jo | Post:125028 - Date: 31.07.08(14:11)
dedivan Пост: 124939 От 30.Jul.2008 (10:39)
По поводу двухполупериодной раскачки- понятно в два раза больше
использование сердечника и соответственно мощность.
Тут только экономика- что дешевле- поставить колечко в два раза большее
или четыре ключа вместо одного.

Резонансная схема- трудность изменения параметров намагничивания,
импульсом проще- регулируя длительность.

Змейка это выход из незамкнутости магнитной цепи.
Вариант 3 кольца -все плоскости намагничивания замкнуты.
Вариант 1 кольцо- только одна замкнута, в остальных плоскостях
тогда требуется больше энергии для намагничивания,
Змейка дает возможность чередуя полюса имитировать замкнутость
магнитопровода.


тоесть как-бы эмулируем общую плоскость намагничивания? тогда можно n- количество колец связать кз витками.

или сделать один кз виток состоящий из 3 под 90 градусов и "напихать" туда колец

dedivan | Post:125047 - Date: 31.07.08(20:12)
jo и "напихать" туда колец


Вот если бы попробовал самый простой вариант, то понял бы,
что намагнитить сердечник даже с маленьким зазором уже трудно,
возрастают потери в проводах, которые уже не вернешь рекуперацией.

Ну если только сверхпроводимость пользовать, тогда может быть...

_________________
я плохого не посоветую


jo | Post:125063 - Date: 31.07.08(22:52)
dedivan Пост: 125047 От 31.Jul.2008 (21:12)
jo и "напихать" туда колец


Вот если бы попробовал самый простой вариант, то понял бы,
что намагнитить сердечник даже с маленьким зазором уже трудно,
возрастают потери в проводах, которые уже не вернешь рекуперацией.

Ну если только сверхпроводимость пользовать, тогда может быть...


экстраполировать эффект в практически применимую конструкцию хотелось бы) феррит же 100 см сечением мне никто не сделает.. теоретически и с маленького объема можно получить много, но феррит до минусовых температур не охлажается... что ему мешает? и сверхпроводлимость бы появилась.. непонимаю механизма, почему градиент такой маленький получается

AlexZander | Post:125072 - Date: 01.08.08(08:03)
Вот если бы попробовал самый простой вариант, то понял бы,
что намагнитить сердечник даже с маленьким зазором уже трудно

Вот поэтому сверлить, сверлить и еще раз сверлить. 😕 Потому что даже пришлифованые поверхности имеют далеко не нулевой зазор...


Кстати, о КЗ витках: Ralf рекомендовал для кз витка медь с палец толщиной - иначе потери сжирают все... Гнуть такую козябру да еще и в кольцо просунуть - это только геракаклам под силу.

PS: Сколько колец попортить еще придется... Надо оснастку делать...

<] [ 1 | ... 6 | 7 | 8 | 9 | 10 | 11 | 12 | 13 | 14 | 15 | 16 | 17 | 18 | 19 | 20 | 21 | 22 | 23 | 24 ] [>
У Вас нет прав отвечать в этой теме.
Форум - Магнитные генераторы - Генератор МЕГ - Генератор Иванова - Стр 16
🏠 Главная | 📚 Содержание | 💬 Форум | 📁 Файлы | 📩 Контакт