[ВХОД]
09.04.26(00:47)

mob.skif.biz

Альтернативная энергия. Оставь надежду, всяк сюда входящий...

🏠 Главная | 📚 Содержание | 💬 Форум | 📁 Файлы | 📩 Контакт
 
Резонансные генераторы
Магнитные генераторы
Механические центробежные (вихревые) генераторы
Электростатические генераторы
Водородные генераторы
Ветро- и гидро- и солнечные генераторы
Прочие идеи (разные)
О форуме
Транспорт
Оружие
Научные идеи, теории, предположения...
Экономия топлива
Коммерческие вопросы
Струйные технологии
Торсионные генераторы
Новые технологии
Барахолка
Патентный отдел
Конструкторское бюро
Нейтронная физика
Торнадо и смерчи
Гравитация и антигравитация
Сделай сам. Советы.
Медицина и здравоохранение

🖥️ | 🖨️

Форум - Прочие идеи (разные) - Схемотехника - Полный мост - Стр:1
[ 1 | 2 | 3 ] [>
Модератор: bolt
bolt | Post:118019 - Date: 28.05.08(00:37)
Вот схемка
image


Кто подскажет, катушку запитать (на кольце ферритовом), будет нормально?
Думаю взять IRFZ44 и IRF4905 и на частоту 25Кгц ... 40Кгц

Управление +5 вольт от пика. Само устройство на 12 вольт.
Чего не хватает? Так это, моцка 😀
Расчитать это дело, кто поможет?

_________________
Трахаю и тибедохаю. Старик Хотабыч.


Petr | Post:118039 - Date: 28.05.08(07:03)
bolt |
Post: 118019 - Date: Wed May 28, 2008 1:37 am

Можешь смело включать любую нагрузку, не превышающую ток переходов транзисторов. Это улутшенный аналог эмиттерных повторителей сборки КТ 972-973.

bolt | Post:118056 - Date: 28.05.08(09:04)
Я же почитал, что мост хороший и много выдерживает.
Хотелось бы еще уточнить частотный диапазон его, какой шим подавать максимум можно?

_________________
Трахаю и тибедохаю. Старик Хотабыч.


Forex | Post:118064 - Date: 28.05.08(09:45)
Эх и погорит всё это, при первом же включении... 🤢

AlexZander | Post:118068 - Date: 28.05.08(09:52)
Это мост для управления электродвигателем постоянного тока, в игрушках, моделях, роботах, сервоприводах и т.д. Для руления индуктивностями с высокой частотой он не предназначен.

Схемку мощного моста для руления трансом подбросить? 😏

Petr | Post:118070 - Date: 28.05.08(09:53)
bolt Пост: 118056 От 28.May.2008 (10:04)
Я же почитал, что мост хороший и много выдерживает.
Хотелось бы еще уточнить частотный диапазон его, какой шим подавать максимум можно?


Ну, это надо порытся в ДАТАШИТ на транзюки, думаю даже Мегагерцы,а то и Гигагерцы потянет смело, Все дело в скорости закрытия ключей,перед открытием другого. Самое губительное последствие(транзисторы в мусорное ведро), это когда (допустим) верхний ключ не успел закрытся, а нижний открылся, и при этом мощный источник питания без скоростной защиты,
в этом случае идет сквозной ток, фактически КЗ.
Вот здесь и идет ограничение по частоте.
Кондюки перехода затвора надо быстрее разрядить.

bolt | Post:118073 - Date: 28.05.08(11:05)
AlexZander Пост: 118068 От 28.May.2008 (10:52)
Это мост для управления электродвигателем постоянного тока, в игрушках, моделях, роботах, сервоприводах и т.д. Для руления индуктивностями с высокой частотой он не предназначен.

Схемку мощного моста для руления трансом подбросить? 😏


Мне не обязательно мощный, главное простой и не притязательный.
И почему он не может работать на индуктивность? И разве 25Кгц это большая частота? Особенно для полевый......

А схему кидай, может пригодиться.

_________________
Трахаю и тибедохаю. Старик Хотабыч.


bolt | Post:118075 - Date: 28.05.08(11:17)
Petr Пост: 118070 От 28.May.2008 (10:53)
bolt Пост: 118056 От 28.May.2008 (10:04)
Я же почитал, что мост хороший и много выдерживает.
Хотелось бы еще уточнить частотный диапазон его, какой шим подавать максимум можно?


Ну, это надо порытся в ДАТАШИТ на транзюки, думаю даже Мегагерцы,а то и Гигагерцы потянет смело, Все дело в скорости закрытия ключей,перед открытием другого. Самое губительное последствие(транзисторы в мусорное ведро), это когда (допустим) верхний ключ не успел закрытся, а нижний открылся, и при этом мощный источник питания без скоростной защиты,
в этом случае идет сквозной ток, фактически КЗ.
Вот здесь и идет ограничение по частоте.
Кондюки перехода затвора надо быстрее разрядить.


Гигагерцы это хорошо, но это надо смотреть даташиты, это точно...
Смысл этого моста, что он не коротит, то есть, при 0 на входах и 1 схема не умирает. Читал на форумах, все пишут, что работает только в путь. Тут же транзисторы разной проводимости и на один сигнал, один отключается, другой сразу включается.


_________________
Трахаю и тибедохаю. Старик Хотабыч.


AlexZander | Post:118076 - Date: 28.05.08(11:18)
Bolt, лови! И поверь, простота хуже воровства... А это лучшее что может быть из мостов. До 50 килогерц и до ~180 ампер...

ЗЫ: Единственное что можно упростить - блок питания мозгов поменять на транс+кренка...

ЗЗЫ: Удачи!
0a0f13.rar
Размер: 81.21 KB

bolt | Post:118079 - Date: 28.05.08(11:56)
Спасибо конечно, но до 180 ампер это много, достаточно и до 5А, а из-за этого и схема усложняется. Кстати, а что за формат? Чем открывать-то...

Вообще-то все гениальное просто.. 😀

_________________
Трахаю и тибедохаю. Старик Хотабыч.


AlexZander | Post:118080 - Date: 28.05.08(12:06)
Открывать:
*.LAY Sprint Layout 5.0
*.SPL sPlan 6.0
*.DOC Microsoft Office Word 8.0+

😎

Все гениальное просто, можешь конечно взять за основу силовую часть... Один хрен в проблему развязки верхнего ключа будешь решать... Драйвер понадобится гальванически(оптически) отвязаный. А там скорости критичны. Поверь, много народу голову ломало - непарься, используй готовое решение.

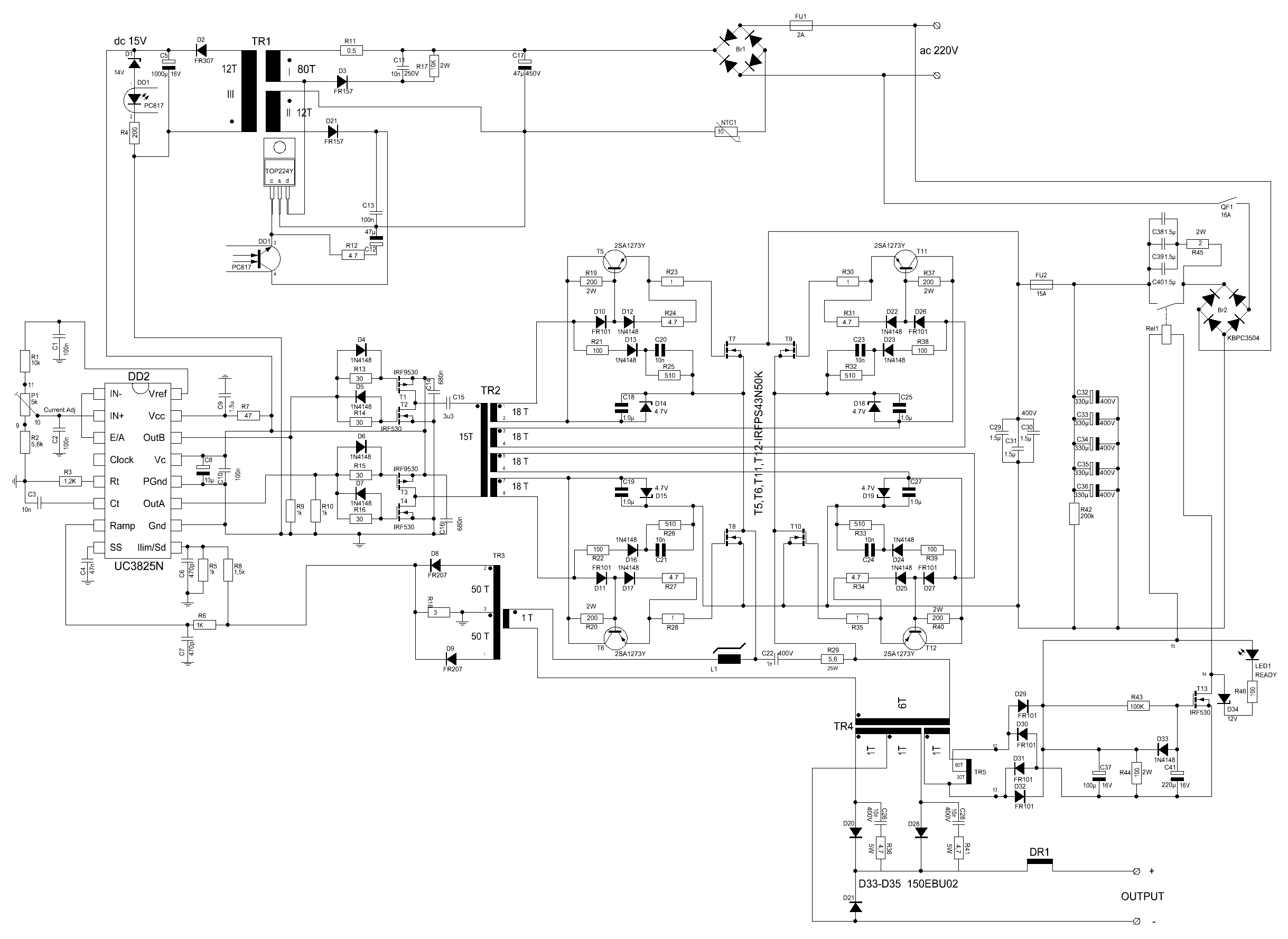
bolt | Post:118081 - Date: 28.05.08(12:13)
Ладно, тема была по этому мосту
image


Так почему я не могу его использовать для запитки индуктивности на кольце с частотой 25 - 35 КГц, 12 - 24В. Какие препятствия могут быть? Схема простая и это привлекает.

_________________
Трахаю и тибедохаю. Старик Хотабыч.


Petr | Post:118083 - Date: 28.05.08(12:28)
AlexZander Пост: 118076 От 28.May.2008 (12:18)
Bolt, лови! И поверь, простота хуже воровства... А это лучшее что может быть из мостов. До 50 килогерц и до ~180 ампер...

ЗЫ: Единственное что можно упростить - блок питания мозгов поменять на транс+кренка...

ЗЗЫ: Удачи!


Да я поддерживаю БОЛТа, и постоянно ругаюсь за формат ЗИП, Это геморой прошлого века. Александр пользуйся другими форматами.
С уважением Петр.
P.S. НЕ только в моем компе, но и в подавляющем большинстве компов этих программ просто нет.

Petr | Post:118087 - Date: 28.05.08(13:15)
Болт, время открытия транзистора ничтожно по сравнению с закрытием его. Делай выводы, в ШИМах уже заложено это 45% рабочего хода.
Тебе следует изучить литературу по переходным процессам в цепях постоянного тока.

bolt | Post:118089 - Date: 28.05.08(13:23)
Что-то welder.spl не открывается, возможно не хватает элементов в библиотеке. Если не трудно, можешь в графическом виде кинуть схему.


_________________
Трахаю и тибедохаю. Старик Хотабыч.


bolt | Post:118090 - Date: 28.05.08(13:24)
Petr Пост: 118087 От 28.May.2008 (14:15)
Болт, время открытия транзистора ничтожно по сравнению с закрытием его. Делай выводы, в ШИМах уже заложено это 45% рабочего хода.
Тебе следует изучить литературу по переходным процессам в цепях постоянного тока.


Ну, это можно задержку сделать между переключениями. Или скважность.

_________________
Трахаю и тибедохаю. Старик Хотабыч.


AlexZander | Post:118107 - Date: 28.05.08(14:37)
можешь в графическом виде кинуть схему.

см. вложение. А вообще, скачамши 6-ой русский splan - и поимемши счастье навеки. Заодно откроешь себе кладезь полезных схем на разных сайтах.

ругаюсь за формат ЗИП

А вот это зря. Архиватор zip давно встроен в windows. Открывается одним кликом как папка. Неумение от нехотения.

PS: Постил, пощу и буду постить максимально упакованые файлы, сохраняя место на сайте и трафик сюда приходящим. Качайте софт... Схемы, платы которые у меня есть я могу править как хочу. Они в исходниках. Тут я кровный враг схем в картинках.





Размер: 97.69 KB

bolt | Post:118113 - Date: 28.05.08(15:06)
Такое я вряд ли соберу и настрою. Такая схема слишком сложная для меня.
Мне нужен мост для экспериментов с кольцами и чем проще, тем лучше.

_________________
Трахаю и тибедохаю. Старик Хотабыч.


AlexZander | Post:118118 - Date: 28.05.08(16:25)
Плата простая, схемак универсальная. Напрягись разок. Не мелочись... Ну или как хочешь...

queet | Post:118119 - Date: 28.05.08(16:48)
Petr Пост: 118087 От 28.May.2008 (14:15)
Болт, время открытия транзистора ничтожно по сравнению с закрытием его. Делай выводы, в ШИМах уже заложено это 45% рабочего хода.
Тебе следует изучить литературу по переходным процессам в цепях постоянного тока.

Ну уж передёргивать не надо. Несущая ШИМ 7,8кГц. DeadTime при этом 0,2мКс. На выходе 3 полумоста на IRG4PH30KD. Движок 2.2кВт.
Где там 45%?????

bolt | Post:118121 - Date: 28.05.08(17:26)
AlexZander Пост: 118118 От 28.May.2008 (17:25)
Плата простая, схемак универсальная. Напрягись разок. Не мелочись... Ну или как хочешь...


Может я и напрягусь, но сейчас времени нету, а вот на простую схемку .... можно было бы

_________________
Трахаю и тибедохаю. Старик Хотабыч.


Eduard | Post:118128 - Date: 28.05.08(20:13)
Такое я собирал для зажигания неоновых трубок. Можно выжать ватт 50. Конденсаторы С3,4 - типа К73-17. Обмотки I и II мотаются в 2 провода, а потом каждая идет к своей части схемы. Питание шунтировать конденсатором с низким ESR, я соединял два последовательно 2200 мкф 10 в. Если без нагрузки греются выходные - понизить питание, или попробовать со стоков на землю конденсаторы 2200 пф, или поискать транзисторы на большее напряжение - но у них всегда сопротивление канала выше - будут греться по току нагрузки. Диоды D3,4 можно Шоттки сдвоенные, есть на 10А 150В. Минимальной длительности импульса я добивался 100 нс. Вхолостую должна потреблять очень мало, на уровне 20-30 мА.


Размер: 19.45 KB

_________________
И мню аз яко то имать быть, что сам себе всяк может учить.


yurec | Post:118129 - Date: 28.05.08(20:28)

_________________
Не позволяйте обманывать себя.


bolt | Post:118156 - Date: 29.05.08(01:07)
Это хорошо. А в принципе, управление могу сразу на пик подавать? Или как? Хочу применить avr2312

_________________
Трахаю и тибедохаю. Старик Хотабыч.


yurec | Post:118180 - Date: 29.05.08(08:50)
Я с AVR-ами мало знаком. Нужно смотреть по даташиту его максимальный выходной ток, исходя из того, что я написал выше. Может быть прийдётся резистор 100 Ом увеличить.

Проще поступить так: спаять и посмотреть осцилом. Он все грехи покажет.😊

_________________
Не позволяйте обманывать себя.


[ 1 | 2 | 3 ] [>
У Вас нет прав отвечать в этой теме.
Форум - Прочие идеи (разные) - Схемотехника - Полный мост - Стр 1
🏠 Главная | 📚 Содержание | 💬 Форум | 📁 Файлы | 📩 Контакт