[ВХОД]
23.04.26(04:36)

mob.skif.biz

Альтернативная энергия. Оставь надежду, всяк сюда входящий...

🏠 Главная | 📚 Содержание | 💬 Форум | 📁 Файлы | 📩 Контакт
 
Резонансные генераторы
Магнитные генераторы
Механические центробежные (вихревые) генераторы
Электростатические генераторы
Водородные генераторы
Ветро- и гидро- и солнечные генераторы
Прочие идеи (разные)
О форуме
Транспорт
Оружие
Научные идеи, теории, предположения...
Экономия топлива
Коммерческие вопросы
Струйные технологии
Торсионные генераторы
Новые технологии
Барахолка
Патентный отдел
Конструкторское бюро
Нейтронная физика
Торнадо и смерчи
Гравитация и антигравитация
Сделай сам. Советы.
Медицина и здравоохранение

🖥️ | 🖨️

Форум - Резонансные генераторы - Прочие резонансные генераторы - Осцилляторы Теслы - Стр:20
<] [ 1 | ... 10 | 11 | 12 | 13 | 14 | 15 | 16 | 17 | 18 | 19 | 20 | 21 | 22 ] [>
Модератор: jonifer
Первый пост темы: jonifer Post: #100634 От:12.02.2008 (06:05)
Сначала оригинал статьи на англицком."Когда осциллятор колебался на частоте света" - переводчика расстрелять.
dedivan | Post:114134 - Date: 08.05.08(08:23)
ert_zeb Пост: 114128 От 08.May.2008 (07:34)
А сопротивление цепи будет определяться количеством свободных электронов.


Ну ты опять про закон Ома.
А я про Ньютона- про ускорение.

_________________
я плохого не посоветую


ert_zeb | Post:114137 - Date: 08.05.08(08:33)
Ну а как же иначе? Ток именно от сопротивления и зависит. А сопротивление от количества носителей заряда. А вот ускорение электронов и влияние их массы к сопротивлению отношения не имеют.

dedivan | Post:114139 - Date: 08.05.08(08:43)
Ivan Пост: 114119 От 08.May.2008 (03:20)
Так и сам девайс будет безопасным.😊


Давай рассмотрим энергию искры с классической точки зрения.

Если мы разгоняем электроны, то их энергия кинетическая, и выделяется
в момент удара об анод в виде тормозного излучения.
Это принцип работы рентгеновских трубок.
В вакууме это строго - анодное напряжение и энергия получаемых квантов равны.
В искре появляется добавка к этой энергии за счет саморазгона электронов, практически это обнаруживается по излучению, вместо
излучения соответствующего 10 киловольтам получаем излучение
как будто от 400- 500 киловольт.

Таким образом добавка у нас получается в виде скорости электронов.
И самый правильный способ использования добавки - тормозить электроны
до того как они стукнутся об анод. После того, как стукнулись, ловить
кроме рентгена нечего.

Вот торможение электронов в искре задача нетривиальная.
Один из способов- трубка коаксиального трансформатора, по оси
возникает тормозящее магнитное поле за счет этого и получаем на выходе энергию. Но электроны, заразы не по прямой летят в искре,
а по спирали, и коаксиальным трансом мы снимаем только малую
часть энергии, связанную с продольным движением.

Кстати не к ночи будь упомянут Алхимик, правильно указал что продольная
скорость в искре маленькая.
Поэтому и энергии мало снимаем.

_________________
я плохого не посоветую


sharp | Post:114194 - Date: 08.05.08(11:26)
Слушайте, друзья, я так подумал, что скалярную волну получить несложно, и способов есть несколько, но вот получить достаточно мощную волну почему-то не выходит.
Я раньше был убежден, что мощное магнитное поле поможет решить эту проблему, но теперь вижу, что усилить скаляр не удается.
У меня сложилось впечатление, что этого и не удастся (думаю, что сечение используемого провода играет в этом не последнюю роль).
Выхода я вижу два:
- либо закольцевать импульсы (пустить по кольцу) с многократным прохождением через нагрузку;
- либо размножить, пустить по разным ветвям, чтобы потом собрать на нагрузке.
Такое увеличение частоты прохождения импульсов через нагрузку даст необходимый ток.
У Грэя, например, использовались сетки. Возможно, каждая проволочка в сетке ловила волну, а затем продольные волны от каждой проволочки собирались в общий провод и двигались одна за другой по проводу, образуя нужный ток.
В Тестатике на диски также были наклеены мелкие сетки, которые создавали большую частоту следования продольных импульсов.
У Вильяма Хайда также было много-много радиальных полос на дисках, которые вращались в противоположных направлениях с большой скоростью, создавая продольные волны большой частоты. Затем у него стояла наборка из 6 конденсаторов и 12 диодов, которая позволяла импульсам отражаться, переотражаться, и многократно проходить через нагрузку.
У Хендершота было две корзинки, которые гоняли между собой продольную волну, каждый раз добавляя в эту замкнутую цепь новый импульс.
Что скажете?

JnoVa | Post:114197 - Date: 08.05.08(11:39)
sharp,"либо закольцевать импульсы (пустить по кольцу) с многократным прохождением через нагрузку;". А не напоминает это магнетрон, о котором говорил Вовочка?

_________________
В каждом из нас спит гений... и с каждым днём всё крепче.


dedivan | Post:114198 - Date: 08.05.08(11:52)
sharp Пост: 114194 От 08.May.2008 (12:26)
Что скажете?


Ну что сказать? все это да, близко к тому что надо,
но если бы у кого то был приличный результат, мы бы уже давно
пользовались этим как ложкой с вилкой.

_________________
я плохого не посоветую


ert_zeb | Post:114237 - Date: 08.05.08(13:53)
И тишина...😊А у нас в квартире газ, а у Вас?(проверка связи)😬
Дедушка, а Вы пробовали автодином в резонансе волнушки принимать? Конечно, все не примешь - искры даже в оптическом диапазоне видны, но всё же...

sharp | Post:114321 - Date: 08.05.08(22:14)
Да поймать его(радиант) не сложно, да толку мало... слабенький он (по крайней мере, в проводе).
У Бедини с его ловлей напрямую только колесико и удалось закрутить.😊
Нужно размножение или закольцовывание. Обратите внимание на конденсаторно-диодный блочек Хайда.
Исследователи вилки Авраменко Кулигины также пришли к выводу, что в результате переотражений волны от конденсаторов и диодов, она многократно проходит через лампочку, заставляя последнюю светиться.

dedivan | Post:114383 - Date: 09.05.08(15:15)
Ivan Пост: 114307 От 08.May.2008 (22:39)
dedivan | Post: 114139
Т.е. мы сначала создаём волну для ускорения электронов, а потом- тормозим электроны для получения волны.

Ну это спорно, то ли волна толкает электроны, то ли электроны создают волну.
Нужен однозначный опыт. Его пока нет. Вот над чем надо морщить.

2.Бедини говорит сразу: радиант ловится сразу только в аккумулятор и конденсатор.


Да, вода как диэлектрик с высокой проницаемостью тормозит волну,
тут что то есть. Это я про то, что аккумулятор это электролитическая ячейка с водой.

_________________
я плохого не посоветую


street | Post:114393 - Date: 09.05.08(16:51)
Вот ссылка : [ссылка]

Рассматривается способ взаимодействия со скалярной волной.
Думаю , вполне реально таким способом свернуть в бублик шарик статического потенциала. Особенно если он нарастает (раздувается).

_________________
Главное в мелочах


sharp | Post:114518 - Date: 10.05.08(10:45)
это когда у него радиант сливался в бадью и переливался через край

А дайте ссылочку или опишите в двух словах.

dedivan | Post:114519 - Date: 10.05.08(10:56)
Ivan Пост: 114503 От 10.May.2008 (06:52)
и получается, что волна- это- не только добавка, ....... но ышо и информация самого процесса.


Да, только представление о том, что такое информация, у всех разное.
Надо бы попробовать нарисовать картинку, не знаю насколько убедительно
получится, но попробую.

За Юткина- Бог спасет, у меня есть.

_________________
я плохого не посоветую


serg_ural | Post:114558 - Date: 10.05.08(15:48)
Ловить излишек энергии от того что среда просто схлопнулась бесполезно. Это же количество было затрачено на раздвигание. Тем более, что скорость схлапывания
гораздо больше. Энергия вернется в том же количестве за меньшее время. Вот если при раздвигании из нее вихрь эфира сделать, то среда по идее должна затратить энергию на его сжатие. Если размер вихря уменьшится под действием среды (сожмется), то энергия его увеличится.


serg_ural | Post:114662 - Date: 11.05.08(06:21)
А разве обычный виток провода не формирует вокруг себя эфирный тор при пропускании через него тока. Если продолжить магнитные силовые линии в пространстве то получится тор. Вопрос только в том какой силы и длительности надо пропустить ток через этот виток, чтобы эфирный вихрь оторвался от витка.


sharp | Post:114727 - Date: 11.05.08(11:20)
serg_ural , все верно, только скорость реакции среды слишком велика, и эфирный тор не может оторваться. Ток спадает относительно медленно, и среда успевает сжиматься одновременно со спаданием тока, вернее, с уменьшением тора.

NEOKOVROV | Post:114746 - Date: 11.05.08(12:18)
а зачем вихрю отрываться от проводника пусть сам проводник будет и генератором
за тем тесла и иван предлагает надо создать очень короткие импульсы
тока чтобы ток быстрее спадал вихрь он и так создается при подаче тока
вот токо не пойму к примеру потратили единицу мощности на раздвигание
среды за х время и якобы при схлопывании среды вернется энергия назад
(по сути кпд 100 %)выйгрыша ноль, но люди утверждают что реакция среды
достаточно большая значит время схлопывания уменшиться что в свою очередь приведет к увеличению мощности тогда кпд больше 100

обьясните ... не понимаю

vbi | Post:114759 - Date: 11.05.08(13:19)
Добрый день уважаемые форумчане!
Извиняюсь, если кому-то покажется, что я увожу в сторону.
Вопрос к дедуле.
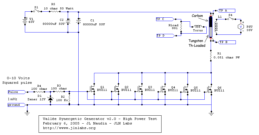
На overunity наткнулся на схемку ядерного реактора см. в приложеном файле. В Английском я не силен, но на схемке присутствует вокруг графитовых стержней толи обмотка, то-ли коаксиальный трансформатор
(выводы ТР А, ТР В они как бы и не задействованы). Вот и промелькнула мысль , а может радиактивность здесь вобще ни причем ( побочный эффект), а виновата искорка. может быть в графитовых стержнях идет процесс подобный в искорке только мы его не видим. Возможно процесс аналогичный процессу пробоя в воздухе происходит при переходе из одного вещества в другое и стоит поэкспериментировать с разнами материалами.Если это будет просто другой металл это было-бы наиболее технологично.Можно будет попробовать различные поверхности соприкосновения(точка, сетка, матрица из разл. фигур) Шесть транзисторов в схемке могут давать в импульсе до 720 А.
С уважением VBI.



Размер: 10.70 KB

sharp | Post:114795 - Date: 11.05.08(16:25)
NEOKOVROV, давайте я по-своему попробую:
берем кольцо и пускаем по нему ток - зарождается вихревый тор (бублик) вихревого электро-магнитного поля. Чем больше ток, тем шире бублик. Он, бублик раздвигает среду, которая сопротивляется и давит на него со всех сторон. Правильно?
Ток спадает, и среда своим усилием сжимает наш бублик.
Сколько затратили энергии на раздвигание, столько и вернулось в виде давления среды.
Это обычный процесс.
Но если мы создадим бублик, который оторвется от кольца и полетит прочь, раздвигая при этом среду впереди себя, а позади него среда сама будет сжиматься. Получается, что на раздвижение среды впереди бублика мы энергию не тратим, ведь бублик оторвался, улетел и живет теперь своей жизнью самотоятельно раздвигая среду (как дымовые кольца в воздухе, или чернильные кольца в бассейне).
Бублик движется вперед и сам раздвигает среду, но среда сопротивляется и сжимается позади бублика.
Теперь если мы сможем использовать это схлопывание среды позади бублика, то получим больше энергии, чем затратили вначале.

street | Post:114804 - Date: 11.05.08(17:00)
Ivan Пост: 114785 От 11.May.2008 (16:30)
NEOKOVROV
Ну, и в конце- подарок для тех, кто понял: ударная волна, получаемая при схлопывании: на неё мы энергию не тратили. 😊


Точно . Но настоящий подарок получится тогда , когда мы научимся многократно переотражать эту волну от схлопывания. Как в " блюдечке с голубой каёмочкой"😊
Красота да и только. Один раз пнул , несколько раз поймал.

_________________
Главное в мелочах


street | Post:114810 - Date: 11.05.08(17:24)
vbi Пост: 114759 От 11.May.2008 (14:19)
Добрый день уважаемые форумчане!
Извиняюсь, если кому-то покажется, что я увожу в сторону.


И Вам доброго здоровья !
Отнюдь не покажется , по-моему весьма в тему. Дайте ссылку на материал , Ivan вроде с буржуинским знаком , может поможет нам , в двух словах об чём там речь.

может быть в графитовых стержнях идет процесс подобный в искорке только мы его не видим.

Вполне может статься , что и так. У Грэя в цепи разряда имеется уголь.
Нутром чую , надоть статейку разобрать и схему тож.Пожалуйста дайте ссылку.

_________________
Главное в мелочах


serg_ural | Post:114840 - Date: 11.05.08(18:30)
sharp Пост: 114727 От 11.May.2008 (12:20)
serg_ural , все верно, только скорость реакции среды слишком велика, и эфирный тор не может оторваться. Ток спадает относительно медленно, и среда успевает сжиматься одновременно со спаданием тока, вернее, с уменьшением тора.


Вероятно, что не успеет. Я поэтому и написал, что важен ток и время импульса. Может и при каких-то значениях оторвется.

Вот, например, при разработке первой электро-магнитной пушки вроде подобная проблема была. Принцип-то банально простой (та же продольная волна). По катушке пускают маленький ток, а потом эту катушку с током взрывом сжимают. Чего получается: сделали маламальский тор эфира, а потом его резко сжали. Чего он сделает - "плюнет" (прошу прощения) тем из чего сделан. Так вот, при взрыве (сжатии) сопротивление среды (сжимают-то не просто кусок железа, а виток с током) настолько возростало, что в ноль не сжималась катушка.

Ну, это отступление. Может быть так и надо делать? Только в разумных пределах - сжимать сформированный эфирный тор, а он, работая как насос, сформирует продольную волну (струю) в эфире и еще таких же образований наделает (только вот они уже к проводам исходным не привязаны будут).
Как сжимать - это вопрос.

Вот для интереса, почему это Тесла с плоскими катушками играл? Уж не тоже самое ли получить хотел.

vbi | Post:114880 - Date: 11.05.08(20:48)
Street Даю ссылку : сайт overunity.com на форуме тема Single circuits generate nuclear reactions.
ссылка на последнюю страницу темы.

[ссылка]
извиняюсь незнаю как правильно ее вставить

dedivan | Post:114923 - Date: 12.05.08(08:28)
vbi Пост: 114759 От 11.May.2008 (14:19)
наткнулся на схемку ядерного реактора


Схемка нерабочая- 100 процентов.
С такой раскачкой на таких старинных полевиках можно переключать
1 кгц, и то с потерями, но никак не 1 Мгц.
В нагрузке стоит нечто похожее на торированный катод, в старинных
лампах были такие, именно стержни из графита покрытые торием.
Ядерным его можно назвать условно, поскольку и обычный углерод
имеет тоже радиоактивный изотоп.
Это похоже на проект первокласника- наковырять ядер из ядерной бонбы,
и сделать ядерную рогатку.

_________________
я плохого не посоветую


street | Post:114984 - Date: 12.05.08(13:34)
serg_ural Пост: 114840 От 11.May.2008 (19:30)

Как сжимать - это вопрос.

Мобыть подать потенциал на внешнй проводник коаксиала при протекании тока по внутреннему? Вот , скажем потёк ток по внутреннему , образовал бублик , тут на внешнем потенциал появился статический. Бублику станет тесно?

Вот для интереса, почему это Тесла с плоскими катушками играл? Уж не тоже самое ли получить хотел.

А катушку плоскую меж пластин кондёра?

_________________
Главное в мелочах


serg_ural | Post:115010 - Date: 12.05.08(16:00)
Модель э-м пушки, ещё раз повторю, такова: взяли виток провода с током и сжали к центру.
Плоская катушка - это набор витков разного диаметра, от большого к маленькому. Надо заставить ток одинаковый по силе добежать от крайнего витка до центра. Но с обычной катушкой это не выйдет - индуктивность мешает.


<] [ 1 | ... 10 | 11 | 12 | 13 | 14 | 15 | 16 | 17 | 18 | 19 | 20 | 21 | 22 ] [>
🔒 Тема закрыта. Добавление новых сообщений невозможно.
Форум - Резонансные генераторы - Прочие резонансные генераторы - Осцилляторы Теслы - Стр 20
🏠 Главная | 📚 Содержание | 💬 Форум | 📁 Файлы | 📩 Контакт