[ВХОД]
14.04.26(07:49)

mob.skif.biz

Альтернативная энергия. Оставь надежду, всяк сюда входящий...

🏠 Главная | 📚 Содержание | 💬 Форум | 📁 Файлы | 📩 Контакт
 
Резонансные генераторы
Магнитные генераторы
Механические центробежные (вихревые) генераторы
Электростатические генераторы
Водородные генераторы
Ветро- и гидро- и солнечные генераторы
Прочие идеи (разные)
О форуме
Транспорт
Оружие
Научные идеи, теории, предположения...
Экономия топлива
Коммерческие вопросы
Струйные технологии
Торсионные генераторы
Новые технологии
Барахолка
Патентный отдел
Конструкторское бюро
Нейтронная физика
Торнадо и смерчи
Гравитация и антигравитация
Сделай сам. Советы.
Медицина и здравоохранение

🖥️ | 🖨️

Форум - Резонансные генераторы - Прочие резонансные генераторы - Как сделать из трансформатора трансгенератор? - Стр:20
<] [ 1 | ... 10 | 11 | 12 | 13 | 14 | 15 | 16 | 17 | 18 | 19 | 20 | 21 | 22 | 23 | 24 | 25 | 26 | 27 | 28 | 29 | 30 | ... | 254 ] [>
Модератор: bogatyr
Первый пост темы: bogatyr Post: #103285 От:29.02.2008 (20:19)
Простой вопрос: может ли обычный транс стать генератором?
РЕЗОНАНС.
И никакого транса.
image
SaturnV | Post:107333 - Date: 24.03.08(17:55)
lazj, я вот думаю ток сам себе сопротивляется, если смотреть на соседние витки, а среда оределяет лиш эффективность этого сопротивления. Перпендикулярные катушки тоже мучал, на феррите, и могу подтвердить пофиг им на домены, конечно опыт на коленке был...


proube | Post:107344 - Date: 24.03.08(18:50)
Помнится давно заходил по ссылке на один немецкий сайт ,где демонстрировался генератор из двух перпендикулярных катушек намотанных на гиганском редкоземе см .эдак 15*15*5 . Тоже куча лампочек светилась ,тиристоры гиганские как шайбы . Кто что знает и пробовал за это направление в трансформаторостроении? Причем коробка в которой находился сей транс была прилично запыленной изнутри ,как будто он долго работал.

_________________
"Кролики - это не только ценный мех..."


lazj | Post:107347 - Date: 24.03.08(19:11)
а подробностей??

_________________
"Наука - это то, чего быть не может. То что может быть - это уже технический прогресс" (П.Л. Капица) "Делай, что должно и будь, что будет.."


proube | Post:107348 - Date: 24.03.08(19:14)
Не могу пока найти ,т.к занимался другим проектом , даже косо не переводил. Даже не уверен немецкий ли сайт .ссылка должна быть здесь на сайте , наверно где нибудь в МЭГах.

_________________
"Кролики - это не только ценный мех..."


bogatyr | Post:107353 - Date: 24.03.08(19:56)
Petr Пост: 107246 От 23.Mar.2008 (20:22)
Богатырь, обрати внимание на рис.7 стр.6 , нарисуй свою эквивалентную
схему (пример рис.8 на стр.7) и сравни свою схему и диаграмму.

Материал изложен в очень доступной форме.

Но что он дает? У меня нагрузка емкостная, а там индуктивная.
У меня резонанс напряжений и намагничивающий поток создается совместно первичкой и вторичкой.
Это небо и земля.

bogatyr | Post:107357 - Date: 24.03.08(20:31)
Ток холостого хода я могу сделать любым, уменьшив число витков.
А мои супер аккумуляторы прекрасно поживают принося мне доход.
Я здесь потому, что не могу смотреть без смех и слез, как вы тут измываетесь над классиками электродинамики.


MSN | Post:107367 - Date: 24.03.08(22:10)
to lazj
МП в нашем понимани, на самом деле деформация цельной, неразрывной, но позволяющей в определенных пределах деформировать себя пространственной решетки(эфира).
Из аналогии:
эфир-теннисная сетка
заряд-мяч
источник-ракетка

Источник (ракетка) бъет по мячу(заряды), те получая порцию кинетической энергии устремляются в сетку(эфир).
Лтключаем истчоник, заряды-мчи летят в сетку, как только они еее достигли, происходит упругая деформация ее(в эфире заряды ее не касаются, только приближаются к узлам, до того момента, когда силы отталкивания и вызванные током уравняются) после этого начинается обратный процесс, заряды отталкиваются от узлов, начинают двигаться вобратном направлении, - ток извеняет направление, появляется обратный ЭДС.
Только это упрощенная аналогия, введенная для понимания, на самом деле уроугая деформация называемая нами МП, боле схожа на деформацию-кручения, когда некоторая часть пространства(сетки) закручивается подобно вихрю относительно условной точки(например центра катушки или центра проводника с током).
Это если смотреть в плоскости перпендикулярно проводнику с током или оси катушки.


_________________
Говорите говорите, я всегда зеваю когда мне интересно. 99,9% всех СЕ устройств, - от неправильных измерений


Petr | Post:107369 - Date: 24.03.08(22:15)



Размер: 15.71 KB

proube | Post:107370 - Date: 24.03.08(22:19)
EL Пост: 107360 От 24.Mar.2008 (21:02)
А ведь точно !
Вот щас взял Вольдека (эл. машины), и точно- есть глава " ген. из трансформатора", со всеми расчетами, режимами, вект. диагр.
Как я ее не замечал ? Все строго по классике-энергия из эфира!

( к удалению)
Я понял ,😊,но в каждой шутке есть доля... Теперь мне кажется ,что я видел такую главу в какой то старой книги ,естественно читать не стал . Но если она и была где ,наверняка рассматривался вопрос ,как с этим бороться. Вот порывшись нащел не ту главу ,но тоже кое что. В момент включения транса броски тока в 10-12 раз превосходят ток нормальной нагрузки ,и в 100-120 раз ток намагничивания. И эти максимумы тока приходятся когда напряжение проходит через нуль . Это генерация тока трансформатором ,я так понял ,т.к речь идет о специальных рубильних . Нам разве не это надо ? Т.е. надо сместить фазу тока к напряжению и осуществить постоянное коммутирование транса дешевым и простым средством . Так? Т.е нам надо съэмитировать такой здоровый дребезг контактов. При размыкании трнсформатора ,тоже интересно.
23451d.djvu
Размер: 29.00 KB

_________________
"Кролики - это не только ценный мех..."


dedivan | Post:107371 - Date: 24.03.08(22:25)
MSN ...
когда некоторая часть пространства(сетки) закручивается


Позволь поправить, не обязательно крутить, достаточно повернуть
на некоторый угол, как магнитный домен.
Вот на картинке очень хорошо видно место поворота, и заодно
понятно, что магнитное поле как граница деформации всегда замкнуто.


Размер: 2.97 KB

_________________
я плохого не посоветую


lazj | Post:107375 - Date: 24.03.08(22:45)
EL Пост: 107360 От 24.Mar.2008 (21:02)
А ведь точно !
Вот щас взял Вольдека (эл. машины), и точно- есть глава " ген. из трансформатора", со всеми расчетами, режимами, вект. диагр.
Как я ее не замечал ? Все строго по классике-энергия из эфира!

( к удалению)


В издании Вольдека от 74 году такой главы нет. Или может этих Вольдеков как ... короче много... ???

MSN, спасибо. Толковое пояснение.

ДедуИвану тоже спасибо. 😊

_________________
"Наука - это то, чего быть не может. То что может быть - это уже технический прогресс" (П.Л. Капица) "Делай, что должно и будь, что будет.."


EL | Post:107380 - Date: 24.03.08(23:05)
Петр, НЕГ Богатыря я тоже весь "облазил", и в том виде как изображено тоже не айс. Буквально 2 дня назад, размышляя как обратить само ЭДС в катушке при нарастающем токе , пришла одна мысль.. Оговорюсь сразу- проверить с паяльником не успел, но... раз пошла такая пьянка...см.рис
Поясню: П-обр. магнитопровод замкнутый с одной стороны пост. магн., создающими поток близкий к насыщению. Катушка и ист. нарастающего тока J.Мне кажется, что при некотором токе J1, в точке Н1 проницаемость упадет до мю1 и линии магн. индукции пост. магн. перераспределятся (часть покинет магнитопровод) пересекая катушку и создавая ЭДС сонаправленную с источником .
Мне интересно мнение Знатоков. Если этот принцип работает , готов подкорректировать схему НЕГа.

С Уважением, EL.

p.s. Богатырь, в трансе не хватает цепей подмагничивания...(угадайка к 1 апреля )

2 lazj: с Вольдеком это такая плоская шутка... ИЗВИНИТЕ ...


Размер: 15.83 KB

NEOKOVROV | Post:107385 - Date: 24.03.08(23:31)
proube Пост: 107370 От 24.Mar.2008 (22:19)
EL Пост: 107360 От 24.Mar.2008 (21:02)
А ведь точно !
Вот щас взял Вольдека (эл. машины), и точно- есть глава " ген. из трансформатора", со всеми расчетами, режимами, вект. диагр.
Как я ее не замечал ? Все строго по классике-энергия из эфира!

( к удалению)
Я понял ,😊,но в каждой шутке есть доля... Теперь мне кажется ,что я видел такую главу в какой то старой книги ,естественно читать не стал . Но если она и была где ,наверняка рассматривался вопрос ,как с этим бороться. Вот порывшись нащел не ту главу ,но тоже кое что. В момент включения транса броски тока в 10-12 раз превосходят ток нормальной нагрузки ,и в 100-120 раз ток намагничивания. И эти максимумы тока приходятся когда напряжение проходит через нуль . Это генерация тока трансформатором ,я так понял . Нам разве не это надо ? Т.е. ...


где то подобное уже раньше слышал ,подобный эфект наблюдается и
при простом подключении лампочки к разетке если приглядется(аккуратно
😈)то заметишь яркую спышку сначала ,а потом чуть угасает
(на скифе кто то поднимал ету тему)
по каким то причинам появление сопротивления в проводнике запаздывает
один электрик сказал: просто проводник холодный сначала при подключении, потом нагревается и увеличивается сопротивление
(честно говоря неверется)
я так якорь на дреле спалил нажимал отпускал кнопку в итоге пробил
катушки
все таки хотелось бы услышать мнения почему так ...???

EL | Post:107387 - Date: 25.03.08(00:01)
2 Петр:
Фишка в том , что Мы можем намагничивать(вплоть до насыщения )без само ЭДС.(точнее генерат. ЭДС может оказаться больше чем само ЭДС)
А реально в НЕГе ведь два встречных плеча, можно ммагн. и не крутить, да и вообще вместо магнитов- на среднем керне катушка с медной гильзой.

С Уважением, EL.

Ivan | Post:107395 - Date: 25.03.08(01:20)
proube
А не могли бы Вы выставить и стр. 222? Заранее- спасибо...

_________________
Наука – это несомненное сумасшествие, занятое классификацией своих собственных галлюцинаций. Поэтому не удивительно, что люди науки отвергают исследования, которые считают чужими галлюцинациями. Амиель


lazj | Post:107400 - Date: 25.03.08(01:51)
Petr Пост: 107391 От 25.Mar.2008 (00:50)
Богатырь, я жду данные для расчета. Слабо?


Не слабо - смешно...😕

_________________
"Наука - это то, чего быть не может. То что может быть - это уже технический прогресс" (П.Л. Капица) "Делай, что должно и будь, что будет.."


proube | Post:107416 - Date: 25.03.08(07:31)
Ivan ,пожалуйста .
c6c259.djvu
Размер: 28.93 KB

_________________
"Кролики - это не только ценный мех..."


tcvl | Post:107418 - Date: 25.03.08(08:25)
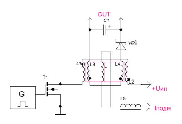
Решил проверить может ли трансформатор быть генератором. Схема приведена на рисунке, трансформатор П образный, сечение ~ 25х12 мм.,обмотки первичная на одной половине, вторичная на другой, число витков не известно (примерно по 600).Частота генерации от 1Гц до 10Гц. Генерация выражается в том, что попеременно загораются лампы Л1 и Л2. Частота зависит от входного напряжения автотрансформатора - в диапазоне от 100 до 150 вольт. СЕ не наблюдается.


Размер: 54.44 KB

inventives | Post:107464 - Date: 25.03.08(14:33)
zvezda Пост: 107456 От 25.Mar.2008 (13:51)
Ух-ты! А это как? ,,Без диода ну ни как такой однополярный не получиш,,,🙄

Ошибаетесь. Если представить электромагнитную индукцию не 2-х, а 3-х компонентную, то легко получается.

MSN | Post:107478 - Date: 25.03.08(16:28)
может быть и вполне.

_________________
Говорите говорите, я всегда зеваю когда мне интересно. 99,9% всех СЕ устройств, - от неправильных измерений


zvezda | Post:107483 - Date: 25.03.08(17:27)
inventives Пост: 107464 От 25.Mar.2008 (14:33) Хорошо,простейший макет предложить можете,схемку что бы я это мог увидить реально,,,😳

Ivan | Post:107485 - Date: 25.03.08(17:31)
inventives | Post: 107464
Об чём и разговор...😊

_________________
Наука – это несомненное сумасшествие, занятое классификацией своих собственных галлюцинаций. Поэтому не удивительно, что люди науки отвергают исследования, которые считают чужими галлюцинациями. Амиель


SaturnV | Post:107486 - Date: 25.03.08(17:32)
Если представить электромагнитную индукцию не 2-х, а 3-х компонентную

У меня вообще неполучается представить индукцию более одной компоненты??? Научите 😘

volypok | Post:107491 - Date: 25.03.08(18:07)
например - 1) магнитное поле 2) электрический ток 3) эфирное движение ?

_________________
we the willing, led by the unknowing, are doing the impossible for the ungrateful. We accomplished so much with so little we are capable to do anything with nothing


Ivan | Post:107493 - Date: 25.03.08(18:17)
Все вопросы- к дедуИвану- он усё знаеть...

_________________
Наука – это несомненное сумасшествие, занятое классификацией своих собственных галлюцинаций. Поэтому не удивительно, что люди науки отвергают исследования, которые считают чужими галлюцинациями. Амиель


<] [ 1 | ... 10 | 11 | 12 | 13 | 14 | 15 | 16 | 17 | 18 | 19 | 20 | 21 | 22 | 23 | 24 | 25 | 26 | 27 | 28 | 29 | 30 | ... | 254 ] [>
🔒 Тема закрыта. Добавление новых сообщений невозможно.
Форум - Резонансные генераторы - Прочие резонансные генераторы - Как сделать из трансформатора трансгенератор? - Стр 20
🏠 Главная | 📚 Содержание | 💬 Форум | 📁 Файлы | 📩 Контакт